EasyManua.ls Logo

DKS 9210 - 230 VAC, 3-Phase Variable Speed

DKS 9210
57 pages
Print Icon
To Previous Page IconTo Previous Page
To Previous Page IconTo Previous Page
Loading...
230 VAC, 3-Phase Variable Speed
DOORKING, INC., INGLEWOOD, CA 90301
Title:
Date: Rev.Dwg. No.
20 16171819 12131415 11 678910 12345
CURRENT
SENSOR
ALARM
ALARM
RESET
N.O.COM
INTERLOCK
115 VAC Convenience
SLOW DOWN
N.O.COM
SLOW DOWN
N.O.COM
LIMIT
N.O.COM
LIMIT
N.O.COM
MID STOP
N.O.COM
P2
1
2
3
4
5
6
7
8
Blue
Yellow
Red
Green
Black
White
White
Red
Black
Yellow
Red
White
1 2 3 4 5
106
1
2
5
6
13A
11
13B
13E
25
16
17
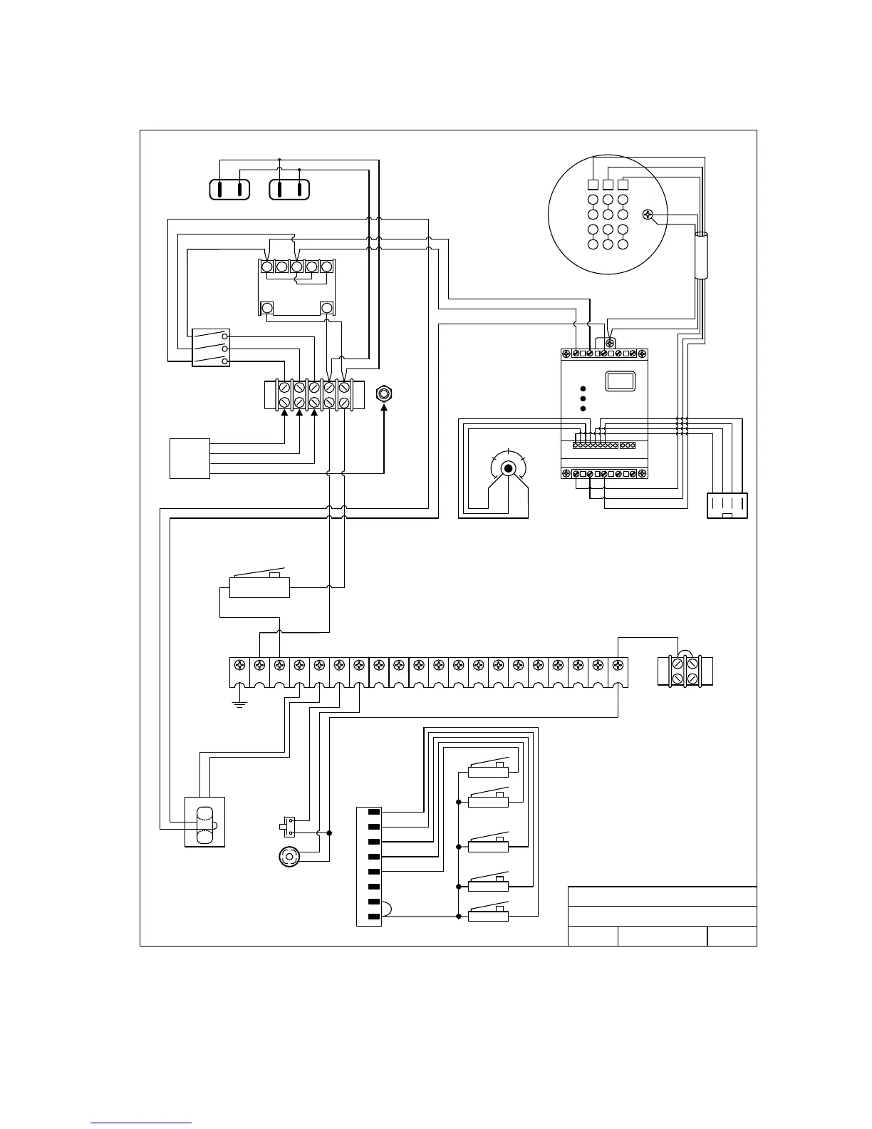
L1 L2 L3 B- B+
UVW PEPE
Black
White
Black
Black
230 VAC
3-Phase
Input
Black
Black
Green
P6
White
Red
Blue
Yellow
Black
Yellow
Red
Blue
Red
Black
Orange
1 2 3
7 8 9
4 5 6
P4 P5 P6
L1 L2 L3
Black
White
Black
White
Red
Blue
Black
Black
Blue
Red
Red
Blue
Black
2/07 9210-230-3-VS
D
Wire Diagram Model 9210 / 9220 / 9230
230 Volt, 3-Phase, Variable Speed
1
ft/s
.5
ft/s
1.5
ft/s
2 ft/s0 ft/s
Blue
Red
Black
Shield
Shield
Orange
Red
Blue
Motor
2600-295 (1 hp) or 2600-404 (3 hp)
9210-065-H-8-08 Page 57

Table of Contents

Related product manuals