EasyManua.ls Logo

DKS 9210 - 208 VAC, 3-Phase Variable Speed

DKS 9210
57 pages
Print Icon
To Next Page IconTo Next Page
To Next Page IconTo Next Page
To Previous Page IconTo Previous Page
To Previous Page IconTo Previous Page
Loading...
208 VAC, 3-Phase Variable Speed
DOORKING, INC., INGLEWOOD, CA 90301
Title:
Date: Rev.Dwg. No.
20 16171819 12131415 11 678910 12345
CURRENT
SENSOR
ALARM
ALARM
RESET
N.O.COM
INTERLOCK
115 VAC Convenience
SLOW DOWN
N.O.COM
SLOW DOWN
N.O.COM
LIMIT
N.O.COM
LIMIT
N.O.COM
MID STOP
N.O.COM
P2
1
2
3
4
5
6
7
8
Blue
Yellow
Red
Green
Black
White
White
Red
Black
Yellow
Red
White
1 2 3 4 5
106
1
2
5
6
13A
11
13B
13E
25
16
17
L1 L2 L3 B- B+
UVW PEPE
Black
White
Black
Black
Black
Black
Green
P6
White
Red
Blue
Yellow
Black
Yellow
Red
Blue
Red
Black
Orange
1 2 3
7 8 9
4 5 6
P4 P5 P6
L1 L2 L3
Black
White
Black
White
Red
Blue
Black
Black
Blue
Red
Red
Blue
Black
2/07
D
208 VAC
3-Phase
Input
9210-208-3-VS
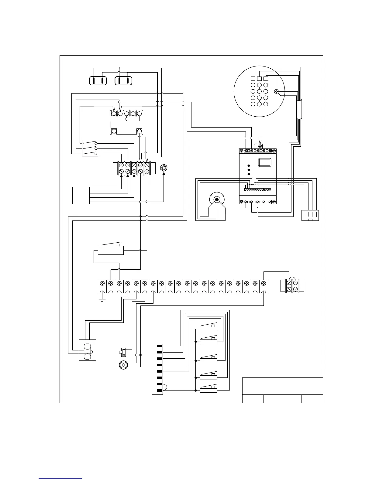
Wire Diagram Model 9210 / 9220 / 9230
208 Volt, 3-Phase, Variable Speed
1
ft/s
.5
ft/s
1.5
ft/s
2 ft/s0 ft/s
Blue
Red
Black
Shield
Shield
Orange
Red
Blue
Motor
2600-295 (1 hp) or 2600-404 (3 hp)
9210-065-H-8-08 Page 55

Table of Contents

Related product manuals