EasyManua.ls Logo

Dobot Magician E6 - Base Installation Dimensions; Base Plate Dimensions

Dobot Magician E6
37 pages
Print Icon
To Next Page IconTo Next Page
To Next Page IconTo Next Page
To Previous Page IconTo Previous Page
To Previous Page IconTo Previous Page
Loading...
Dobot Magician E6 User Guide
Issue V1.32023-01-16 User Guide Copyright © Yuejiang Technology Co., Ltd.
17
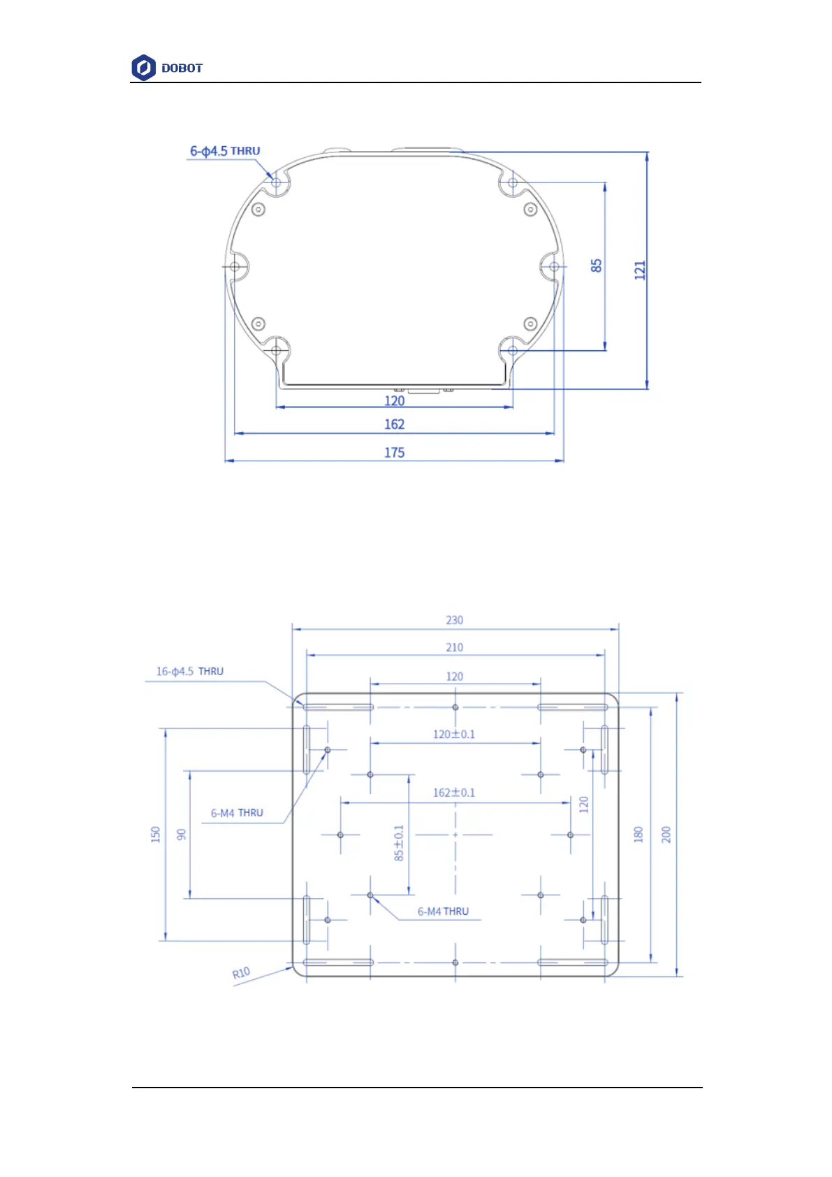
5.2 Base installation dimensions
Figure 5.2 Base installation dimensions
5.3 Base plate dimensions
The thickness of the installation board is 6 mm.
Figure 5.3 Base board dimensions

Related product manuals