EasyManua.ls Logo

Doosan D30G - Delayed Engine Shutdown System Schematic

Doosan D30G
74 pages
Print Icon
To Next Page IconTo Next Page
To Next Page IconTo Next Page
To Previous Page IconTo Previous Page
To Previous Page IconTo Previous Page
Loading...
Vehicle System Testing and Adjusting 48
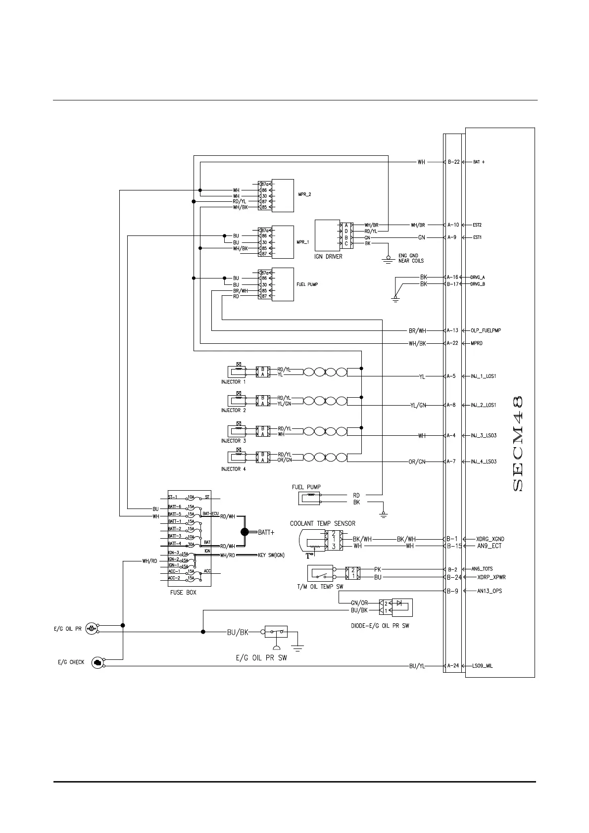
Delayed Engine Shutdown System Schematic
DELAYED ENGINE SHUTDOWN : G20/25/30G G424F(E) -
GAS

Table of Contents

Other manuals for Doosan D30G

Related product manuals