EasyManua.ls Logo

Doosan DB33A - Internal Parts; Major Components

Doosan DB33A
78 pages
Print Icon
To Next Page IconTo Next Page
To Next Page IconTo Next Page
To Previous Page IconTo Previous Page
To Previous Page IconTo Previous Page
Loading...
22
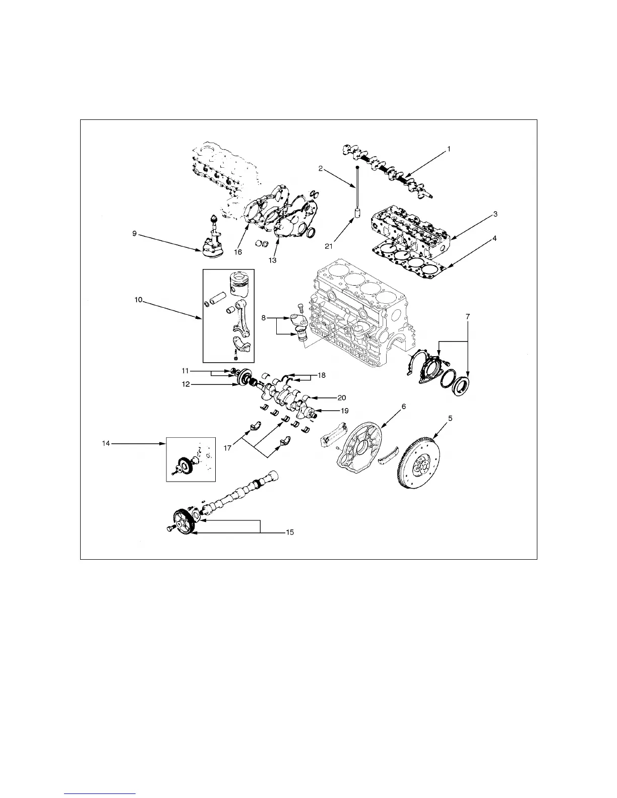
2.2.3. Internal Parts
¡
Major Components
<Disassembly steps>
1. Rocker arm shaft assembly
2. Push rod
3. Cylinder head assembly
4. Cylinder head gasket
5. Fly wheel
6. Fly wheel housing
7. Rear oil seal assembly
8. Oil pump cover
9. Oil pump assembly
10. Piston and connecting-rod assembly
11. Crankshaft front nut and washer
12. Crankshaft pulley
13. Gear case cover
14. Idle gear
15. Camshaft assembly
16. Timing gear case
17. Crankshaft bearing cap and bearing
18. Thrust bearing
19. Crankshaft assembly
20. Crankshaft bearing
21. Tappet

Table of Contents

Related product manuals