EasyManua.ls Logo

Doosan DB33A - Page 52

Doosan DB33A
78 pages
Print Icon
To Next Page IconTo Next Page
To Next Page IconTo Next Page
To Previous Page IconTo Previous Page
To Previous Page IconTo Previous Page
Loading...
48
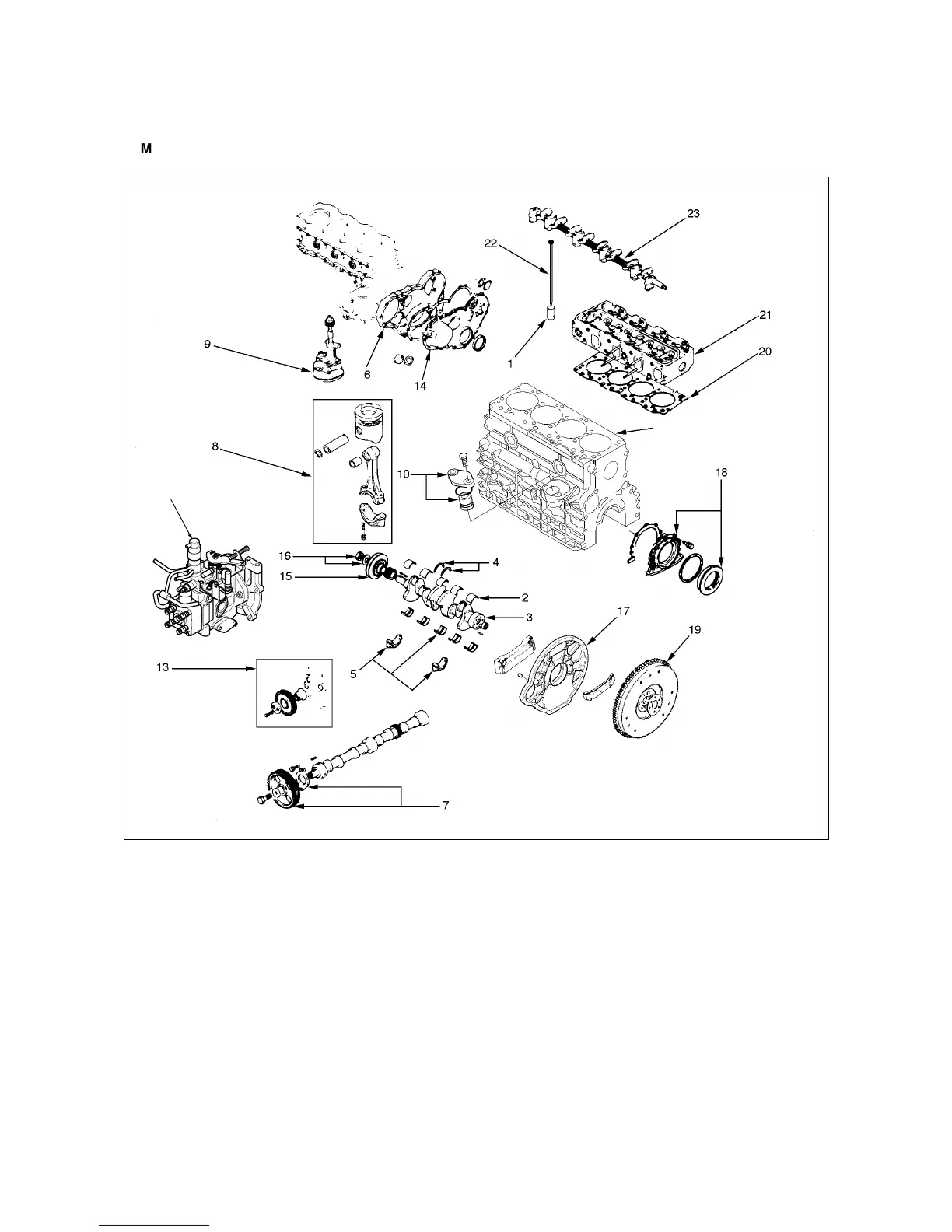
2.4.2. Internal Parts
¡¡
Major components
12
<Disassembly steps>
1. Tappet
2. Crankshaft bearing(upper)
3. Crankshaft
4. Thrust bearing
5. Crankshaft bearing cap and bearing(lower)
6. Timing gear case
7. Camshaft assembly
8. Piston and connecting rod assembly
9. Oil pump assembly
10. Oil pump cover
11. Oil cooler
12. Injection pump assembly
13. Idle gear
14. Timing gear case cover
15. Crankshaft pulley
16. Crankshaft front nut and washer
17. Flywheel housing
18. Rear oil seal assembly
19. Flywheel
20. Cylinder head gasket
21. Cylinder head assembly
22. Push rod
23. Rocker arm shaft assembly
11

Table of Contents

Related product manuals