EasyManua.ls Logo

Doosan DB33A - Page 58

Doosan DB33A
78 pages
Print Icon
To Next Page IconTo Next Page
To Next Page IconTo Next Page
To Previous Page IconTo Previous Page
To Previous Page IconTo Previous Page
Loading...
54
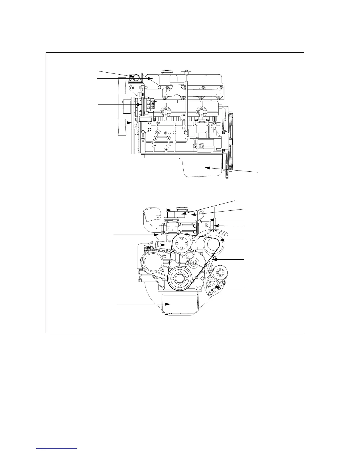
2.4.3. External parts (A)
<Disassembly steps>
1. Breather hose
2. Exhaust manifold
3. Oil guide tube and level gauge
4. Starter
5. Cooling fan belt
6. Alternator
7. Oil pan
8. Cylinder head cover
9. Rubber hose
10. Water pump
11. Thermostat housing assembly
11
8
6
7
11
8
2
3
6
5
4
7
10
9
1
5

Table of Contents

Related product manuals