EasyManua.ls Logo

Duplo DP-S510 - Switching the Contact Pressure

Duplo DP-S510
298 pages
To Next Page IconTo Next Page
To Next Page IconTo Next Page
To Previous Page IconTo Previous Page
To Previous Page IconTo Previous Page
Loading...
77
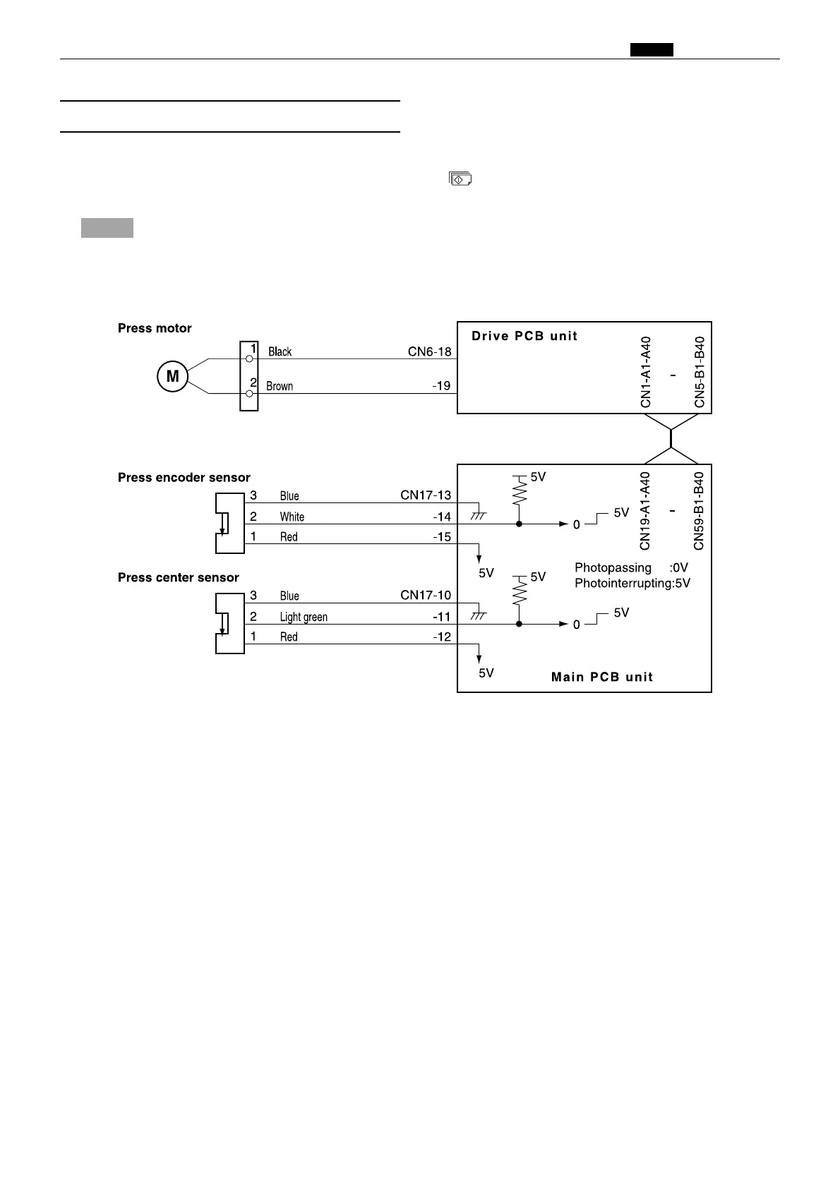
b Press Section
chap.2
(2) Switching the Contact Pressure
The contact pressure can be switched on the operation panel. When it is changed on the operation panel, the
press motor will start up to effect the switch as soon as the (PRINT) key is pressed.
Circuits
R8S02E26
2In the initial setting, the press pressure (print density) changes according to the print speed.
NOTE :

Table of Contents

Related product manuals