EasyManua.ls Logo

Efka AB600A5010 - Actuator and Frequency Run Connections

Efka AB600A5010
64 pages
Print Icon
To Next Page IconTo Next Page
To Next Page IconTo Next Page
To Previous Page IconTo Previous Page
To Previous Page IconTo Previous Page
Loading...
- AB600A5010 Parameter List
- 37 -
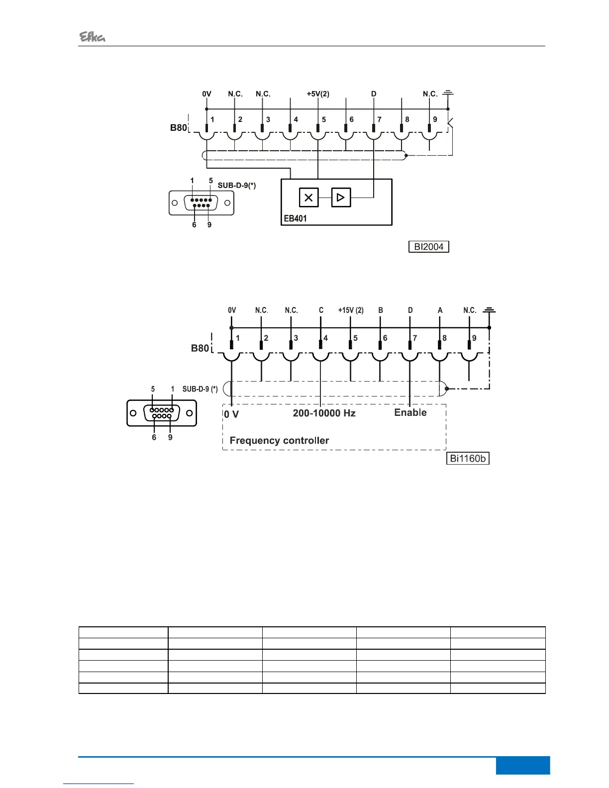
Connecting the analogous actuator EB401
EB.. = Actuator
Connection for frequency run
Connections: 0 V on Pin 1
Frequency output on Pin 4
Frequency controller output on Pin 7
In order to introduce motor running 0V must be applied to pin 7
Frequency rates: 0-5 V / 200-10000 Hz
Min. speed 50 min
−1
Max. speed F-111
Parameter F-396 =0 Frequency Off
F-396 =1 Frequency On
Plug B80 input signal
Pin8 "A"
Pin6 "B"
Pin4 "C"
Pin5 "D"
Motor state
X
X
X
Deactivated.
Stop
X
X
Frequency < 60 Hz
Activated (0V)
Stop
X
X
Frequency > 60 Hz
Activated (0V)
Running
X
X
Frequency > 60 Hz
Deactivated.
Stop
0 V
0 V
X
Deactivated.
Trimmer
2) Nominal voltage +5 V, Imax 20 mA
*) View: Front view of the control (component side) and/or rear view of the outgoing connecting cable

Table of Contents

Related product manuals