EasyManua.ls Logo

Electra DNG 18 - Page 138

Electra DNG 18
164 pages
Print Icon
To Next Page IconTo Next Page
To Next Page IconTo Next Page
To Previous Page IconTo Previous Page
To Previous Page IconTo Previous Page
Loading...
15-41
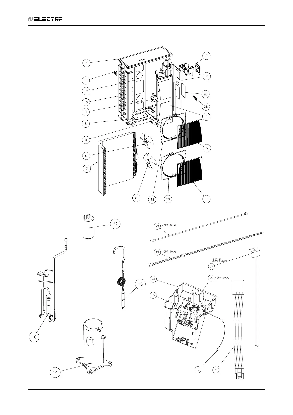
EXPLODED VIEWS AND SPARE PARTS LISTS
Revision Y05-01Service Manual - DNG Series
15.43 Outdoor Unit: OU10-44 ST 3PH
CONTENT

Related product manuals