EasyManua.ls Logo

Electra DNG 18 - Page 53

Electra DNG 18
164 pages
Print Icon
To Next Page IconTo Next Page
To Next Page IconTo Next Page
To Previous Page IconTo Previous Page
To Previous Page IconTo Previous Page
Loading...
9-3
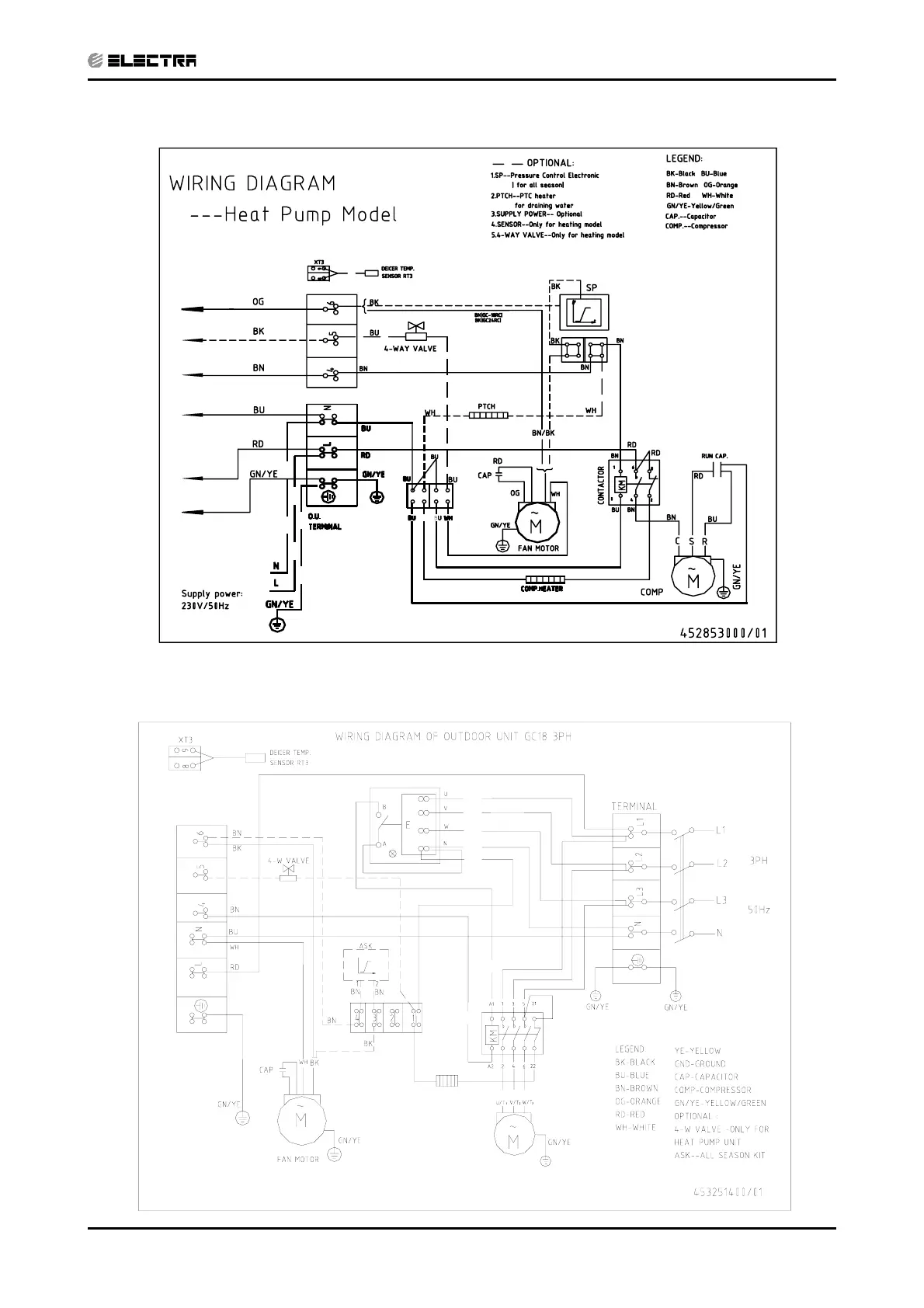
WIRING DIAGRAMS
Revision Y05-01Service Manual - DNG Series
9.4 Outdoor Unit: GC 18 1PH
9.5 Outdoor Unit: GC 18 3PH
RD
COMPRESSOR
OG
COMP. HEAT ER
VT
RD
BN
BU
BU
BU
BU
BU
BU
INDICATOR L I GHT
BU
BU
BN
RD
BU
BK
ANTI - PHASE PROTECTOR
VT
BN
BU
A/ C
CONT A CT OR
RD
BN
BK
BK
BU
RD
BU
BU
380~400V
BN
BN
BN
RD
RD
BK
BK
OG
VT
VT
CONTENT

Related product manuals