EasyManua.ls Logo

Electrolux DIVA 60 - Heating; Integrated Detergent Dispenser

Electrolux DIVA 60
37 pages
Print Icon
To Next Page IconTo Next Page
To Next Page IconTo Next Page
To Previous Page IconTo Previous Page
To Previous Page IconTo Previous Page
Loading...
SOI/DT 2003 - 01 eb 21 599 35 63-72
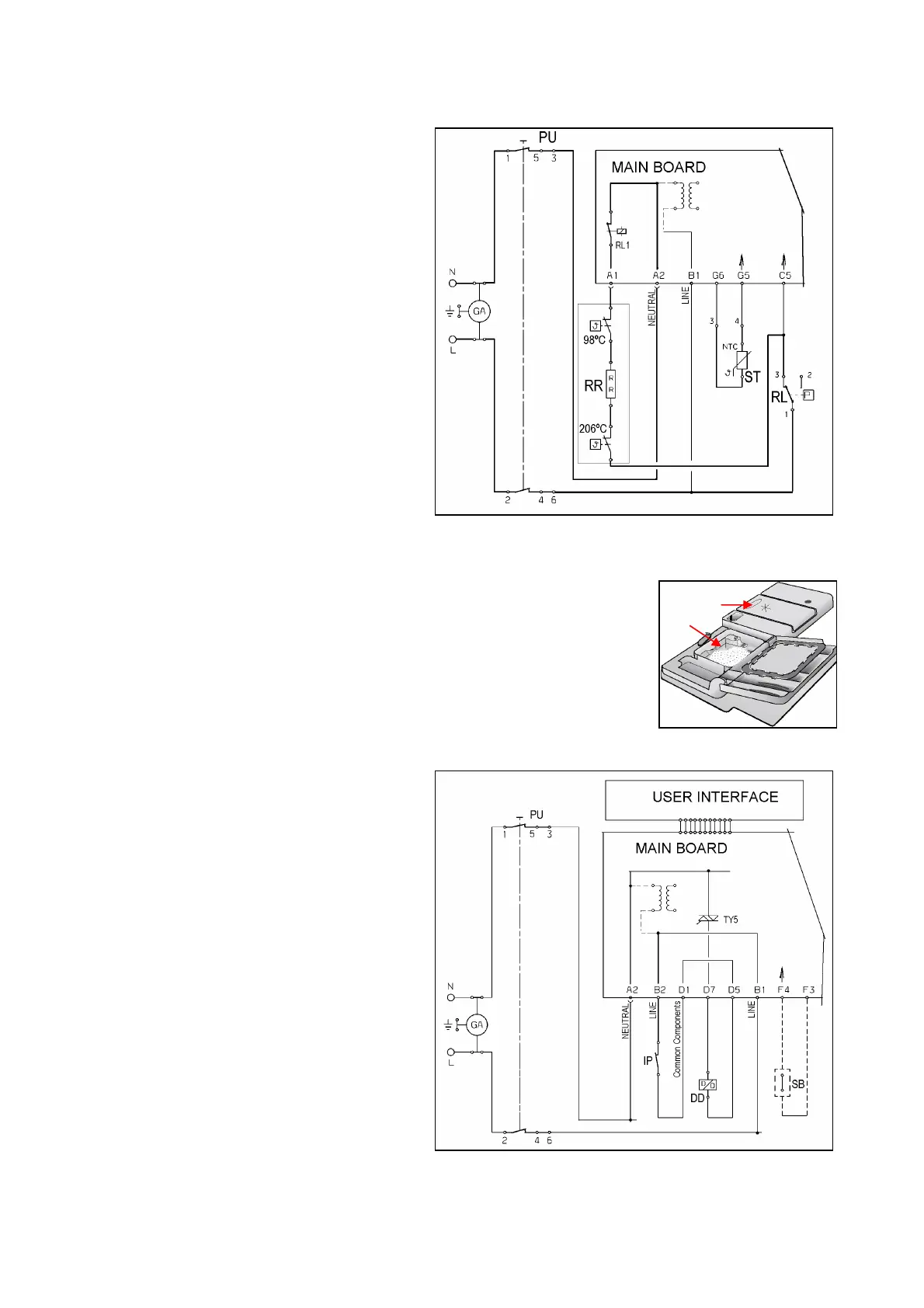
6.9 Heating
The heating element is enclosed in a protective
tube, and is used to heat the washing water
(but does not switch on during the drying
phase) The heating element is fitted to the
outlet of the washing pump and connected to
the duct which feeds the upper spray arm.
The heating element (RR) is powered by relay
RL1 on the circuit board (connector A1), by the
ON/OFF switch (PU) and by the level pressure
switch (RL), which must be set to “FULL”
(contact closed on 1-3).
Two safety thermostats are fitted to the heating
element:
- an automatic-reset thermostat which
intervenes at 98°C
- a thermostat with a thermal fuse (206°C).
The temperature of the water is controlled by
the main circuit board via an NTC sensor (ST)
which is connected to connectors G5-G6.
6.9.1 Integrated detergent dispenser
The detergent dispenser is a plastic container consisting of two separate
sections. The first (A) contains the detergent; the second (B) contains the Rinse-
aid.
The dispenser is of the single-coil type, and uses a single electrical coil,
connected to a mechanical system, for both functions.
When the coil is energized, it actions the mechanism via a series of levers to
introduce detergent in a determined sequence (first detergent, then rinse-aid).
The coil of the detergent dispenser (DD) is
powered by the circuit board via triac TY5
(connector D7) at certain points during the
cycle, thus ensuring correct dosage.
The circuit is closed by the contacts of the
ON/OFF switch (PU) and the door switch (IP).
Some models feature a rinse-aid sensor whose
reed contact (SB) is connected to connectors
F3-F4 on the circuit board.
The absence of rinse-aid causes the contact to
close, which lights the corresponding LED (on
the display board).
A
B

Table of Contents

Related product manuals