EasyManua.ls Logo

Electrolux DIVA 60 - Electrical Functions; Electrical Circuit Diagram

Electrolux DIVA 60
37 pages
Print Icon
To Next Page IconTo Next Page
To Next Page IconTo Next Page
To Previous Page IconTo Previous Page
To Previous Page IconTo Previous Page
Loading...
SOI/DT 2003 -01 eb 33 599 35 63-72
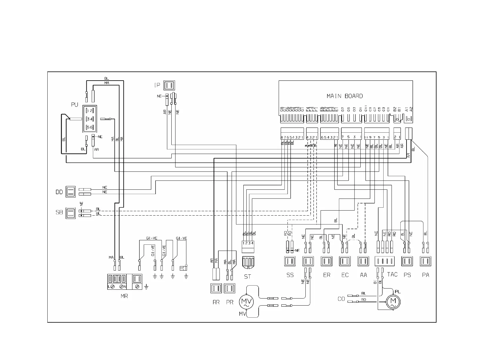
11 ELECTRICAL FUNCTIONS
11.1 Electrical circuit diagram

Table of Contents

Related product manuals