EasyManua.ls Logo

Elvox RS07 - 5- Beschreibung der Leds, Dip-Schalter und Tasten auf der Leiterplatte

Elvox RS07
Print Icon
To Next Page IconTo Next Page
To Next Page IconTo Next Page
To Previous Page IconTo Previous Page
To Previous Page IconTo Previous Page
Loading...
13 14 15 16 17 18 19 13 14 15 16 17 18 19
61
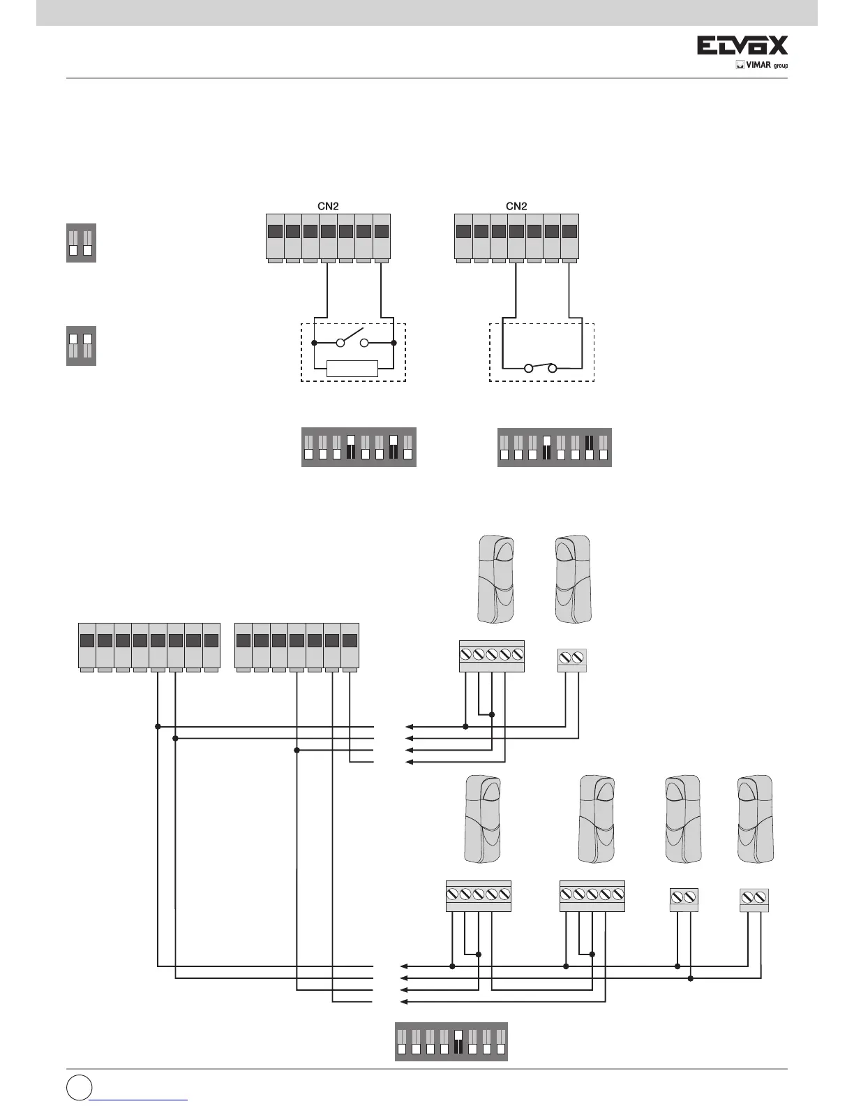
4.6- Anschluss der Kontaktleiste
(bei nicht aktivierter Kontaktleiste bzw. Lichtschranke muss die LED STPA erleuchtet sein) die Auslösung dieses als Kontaktleiste eingestellten Eingang hat
folgende Wirkung: kehrt die Bewegung beim Öffnen sofort für 1,5 Sekunden um und stoppt dann das Tor, während er beim Schließen die Bewegung bis zur
vollständigen Öffnung umkehrt, programmierbarer Eingang.
Siehe Dip-Schalter 1-4 für die Auswahl der einzustellenden Leiste, den Dip-Schalter 1-7 (Kontaktleiste mit Ruhekontakt, Dip-Schalter 1-7 auf OFF, Kontakt-
leiste mit Ausgleichswiderstand 8,2K ohm Dip-Schalter 1-7 auf ON) einstellen, sofern nicht verwendet eine Schaltbrücke zwischen COM. und STPA einfügen
und Dip-Schalter 1-7 auf OFF setzen:
4.7.- Anschluss der Lichtschranken mit aktiver Fototest-Funktion
Bei Aktivierung der Fototest-Funktion (das Steuergerät prüft den Betrieb der Lichtschranken, siehe Dip-Schalter 5 auf ON), folgenden Anschluss beachten.
Bei jedem Motorstart unterbricht das Steuergerät die Versorgung zum Sender der Lichtschranke, um die Funktion nachzuweisen)
Anschluss der Kontaktleiste an Schalter
Anschluss der resistiven Kontaktleiste
Abb. 8
Abb. 9
DE
COM COM
N.O. N.O.N.C. N.C.
24V d.c. 1W max24V d.c. 1W max
24V d.c. 5W max
RX1
+-CNCNA+-
RX2
+-CNCNA
+-
+
COM
FOT
-
-
TX1TX2
RX
+-CNCNA
+-
TX
RX
+-CNCNA
+-
TX
RX1
+-CNCN
A+
-
RX2
+-CNCNA
+-
TX
1T
X2
+
-
+
-
13 14 15 16 17 18 19
5 6789101112
13 14 15 16 17 18 19
13 14 15 16 17 18 19 13 14 15 16 17 18 19
5 678910111213141516171819
13 14 15 16 17 18 19
20 21
COM
STPA
COM
FOTO
STPA als interne
Lichtschranke
ON
1 2
ON
1 2
ON
1 2 3 4 5 6 7 8
ON
1 2 3 4 5 6 7 8
ON
1 2 3 4 5 6 7 8
1
2
3
4
5
ON
1 2 3 4 5 6 7 8
6
ON
1 2
ON
1
2
ON
1 2 3 4 5 6 7 8
ON
1 2 3 4 5 6 7 8
ON
1 2 3 4 5 6 7 8
1
2
3
4
5
ON
1 2 3 4 5 6 7 8
6
Eingang STPA als Kontaktleiste mit
elektromechanischem Schalter, DIP-Schalter 1-4 auf
ON und den Dip-Schalter 1-7 in der Position OFF
Eingang STPA als resistive
Kontaktleiste mit 8,2 KΩ,
Dip-Schalter 1-4 und 1-7 auf ON stellen
Beispiel DIP auf ON:
Beispiel DIP auf OFF:
8,2 KΩ
ON
1 2
ON
1 2
ON
1
2 3 4 5 6 7 8
ON
1 2 3 4 5 6 7 8
ON
1 2 3 4 5 6 7 8
1
2
3
4
5
ON
1 2 3 4 5 6 7 8
6
ON
1 2
ON
1 2
ON
1 2 3 4 5 6 7 8
ON
1
2 3 4 5 6 7 8
ON
1 2 3 4 5 6 7 8
1
2
3
4
5
ON
1 2 3 4 5 6 7 8
6
DIP 1
DIP 1
ON
1 2
ON
1 2
ON
1 2 3 4 5 6 7 8
ON
1 2 3 4 5 6 7 8
ON
1
2 3 4 5 6 7 8
1
2
3
4
5
ON
1 2 3 4 5 6 7 8
6

Table of Contents