EasyManua.ls Logo

Emerson Rosemount OCX8800A - Page 177

Emerson Rosemount OCX8800A
328 pages
Print Icon
To Next Page IconTo Next Page
To Next Page IconTo Next Page
To Previous Page IconTo Previous Page
To Previous Page IconTo Previous Page
Loading...
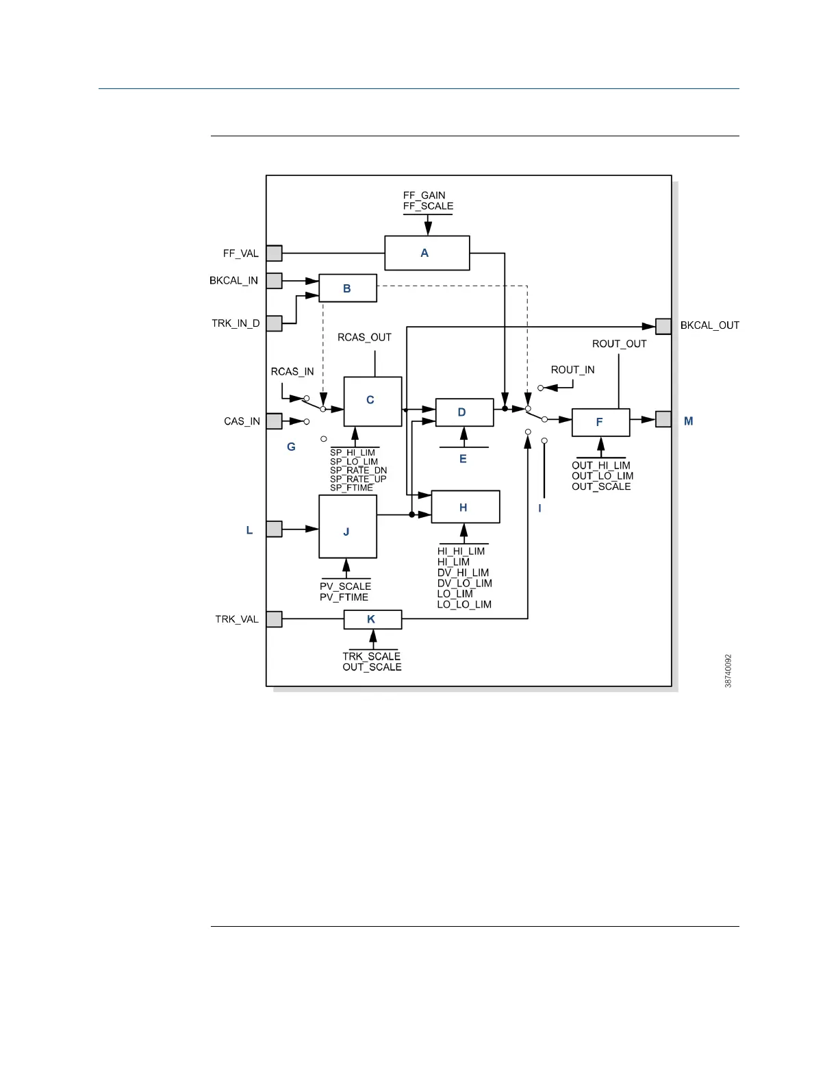
Figure 8-14: PID function block schematic
A. Feedforward calculation
B. Mode
C. Setpoint limiting and filtering
D. PID equation
E. Output limiting
F. Gain rate reset
G. Scaling and filtering
H. Alarm detection
I. Operator output
J. Convert
K. In
L. Out
Manual
FOUNDATION
Fieldbus
00809-0500-4880 December 2022
Rosemount OCX8800A 177

Table of Contents

Related product manuals