EasyManua.ls Logo

Emerson Rosemount OCX8800A - Page 178

Emerson Rosemount OCX8800A
328 pages
Print Icon
To Next Page IconTo Next Page
To Next Page IconTo Next Page
To Previous Page IconTo Previous Page
To Previous Page IconTo Previous Page
Loading...
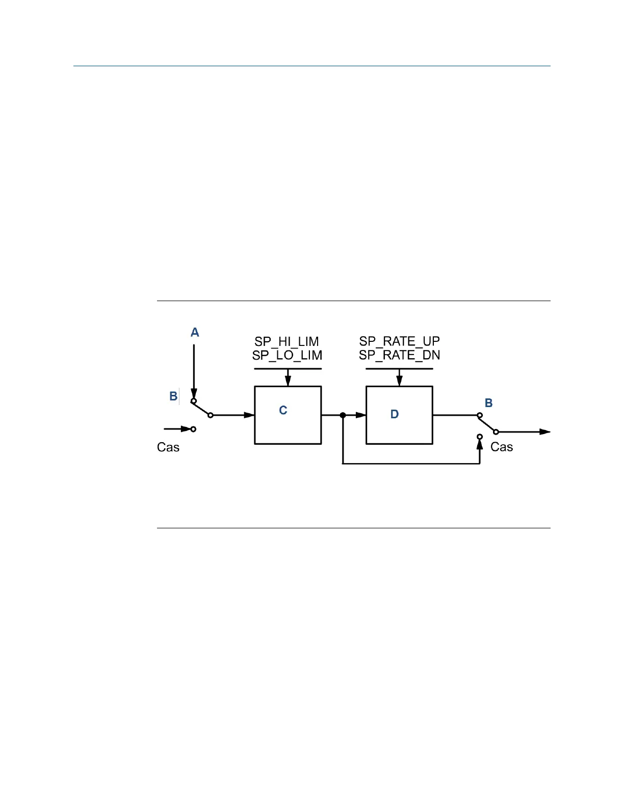
8.9.1  Setpoint selection and limiting
The setpoint of the PID block is determined by the mode. You can configure the
SP_HI_LIM and SP_LO_LIM parameters to limit the setpoint. In Cascade or
RemoteCascade mode, the setpoint is adjusted by another function block or by a
host computer, and the output is computed based on the setpoint.
In Automatic mode, the operator manually enters the setpoint, and the output is
computed based on the setpoint. In Auto mode, you can also adjust the setpoint
limit and setpoint rate of change using the SP_RATE_UP and SP_RATE_ON
parameters.
In Manual mode, the operator manually enters the output, which is independent
of the setpoint.. In RemoteOutput mode, a host computer enters the output,
which is independent of the setpoint.
Figure 8-15 illustrates the method for setpoint selection.
Figure 8-15: PID Function Block Setpoint Selection
A. Operator setpoint
B. Automatic/manual
C. Setpoint limiting
D. Rate limiting
Filtering
The filtering feature changes the response time of the device to smooth variations
in output readings caused by rapid changes in input.
You can configure the filtering feature with the FILTER_TYPE parameter, and you
can adjust the filter time constant (in seconds) using the PV_FTIME or SP_FTIME
parameters. Set the filter time constant to zero to disable the filter feature.
Feedforward calculation
The feedforward value (FF_VAL) is scaled (FF_SCALE) to a common range for
compatibility with the output scale (OUT_SCALE).
A gain value (FF_GAIN) is applied to achieve the total feedforward contribution.
F
OUNDATION
Fieldbus Manual
December 2022 00809-0500-4880
178 Emerson.com/Rosemount

Table of Contents

Related product manuals