EasyManua.ls Logo

Emerson Rosemount OCX8800A - Page 198

Emerson Rosemount OCX8800A
328 pages
Print Icon
To Next Page IconTo Next Page
To Next Page IconTo Next Page
To Previous Page IconTo Previous Page
To Previous Page IconTo Previous Page
Loading...
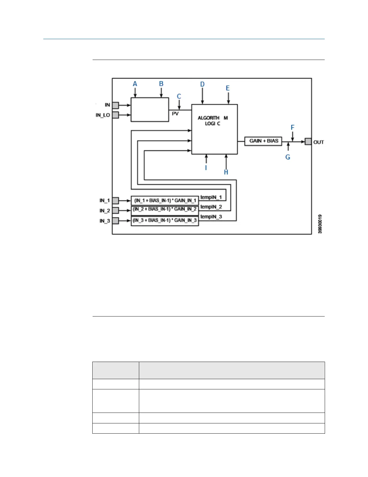
Figure 8-25: Arithmetic function block diagram
A. RANGE LO
B. RANGE HI
C. PV UNIT
D. ARITH_TYPE
E. BAL_TIME
F. OUT_HI_LIM
G. OUT_LO_LIM
H. OUT_LO_LIM
I. OUT_LO_LIM
8.10.1 
Block errors
Table 8-29 lists conditions reported in the BLOCK_ERR parameter.
Table 8-29: BLOCK_ERR Conditions
Condition
number
Condition name and description
0 Other
1 Block Configuration Error: The BY_PASS parameter is not configured
and is set to 0, the SP_HI_LIM is less than the SP_LO_LIM, or the
OUT_HI_LIM is less than the OUT_LO_LIM.
2 Link Configuration Error
3 Simulate Active
FOUNDATION
Fieldbus Manual
December 2022 00809-0500-4880
198 Emerson.com/Rosemount

Table of Contents

Related product manuals