EasyManua.ls Logo

Emerson Rosemount OCX8800A - Page 20

Emerson Rosemount OCX8800A
328 pages
Print Icon
To Next Page IconTo Next Page
To Next Page IconTo Next Page
To Previous Page IconTo Previous Page
To Previous Page IconTo Previous Page
Loading...
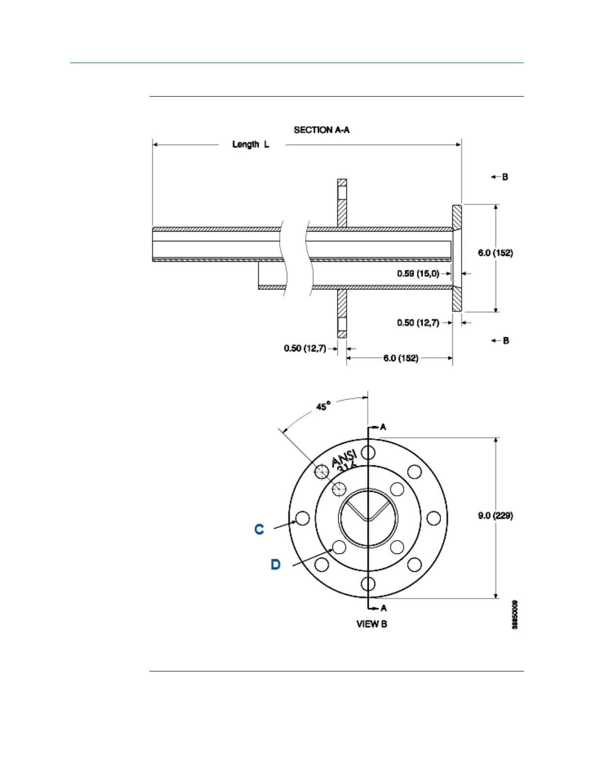
Figure 1-6: Optional Sample Tube Support
C. 0.75-in. (19 mm) diameter on 7.5-in. (190 mm) diameter B.C., eight places
D. 0.75-in. (19 mm) diameter on 4.75-in. (121 mm) diameter B.C., four places
Description and specifications Manual
December 2022 00809-0500-4880
20 Emerson.com/Rosemount

Table of Contents

Related product manuals