EasyManua.ls Logo

Emerson Rosemount OCX8800A - Page 41

Emerson Rosemount OCX8800A
328 pages
Print Icon
To Next Page IconTo Next Page
To Next Page IconTo Next Page
To Previous Page IconTo Previous Page
To Previous Page IconTo Previous Page
Loading...
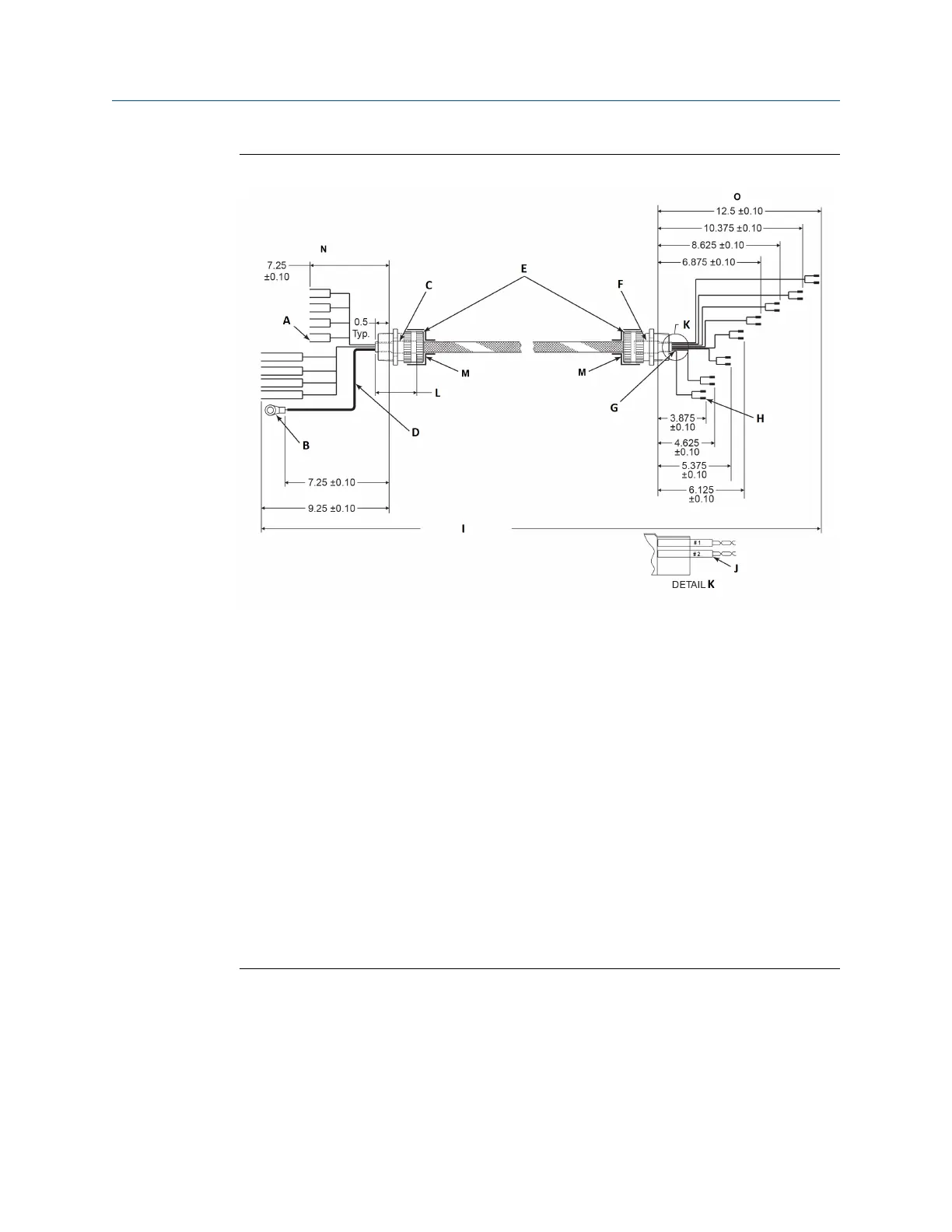
Figure 2-8: Signal Wiring or Cable
A. Strip wire ends 3/16 in. (4.8 mm) typical
B. Stud size #10
C. Heat shrink tubing 2 in. (50.8 mm) long ½ in. (12.7 mm) size
D. 7.0-in.(177.8 mm) long PTFE tubing, 0.042-in. ID (Cut off drain wire at probe end
of shield.)
E. ¾ national pipe thread (NPT) hub size, liquid-tight strain relief connector
F. Heat shrink tubing 2 in. (50.8 mm) long ½ in. (12.7 mm) size
G. 8 twisted pairs 24 AWG, stranded, insulated, tinned copper conductors, 400 °F
(200 °C), 300 volts, with overall braid of 34 AWG tinned copper, uninsulated
drain wire
H. Ferrule, uninsulated
I. Overall cable length by customer 150-ft. (45.7 m) maximum
J. Heat shrink tubing 1 in. (25.4 mm) long, 3/16 in. (4.8 mm) size
K. Typical on both ends of wiring
L. 2.0 ± 0.25 typical
M. For RFI/CE compliance, the connector must provide 360 degrees of electrical
contact to the cable shield.
Manual Install
00809-0500-4880 December 2022
Rosemount OCX8800A 41

Table of Contents

Related product manuals