EasyManua.ls Logo

ensto Wallbox - Page 33

ensto Wallbox
36 pages
Print Icon
To Next Page IconTo Next Page
To Next Page IconTo Next Page
To Previous Page IconTo Previous Page
To Previous Page IconTo Previous Page
Loading...
33
RAK111_ENG / © Ensto 2019
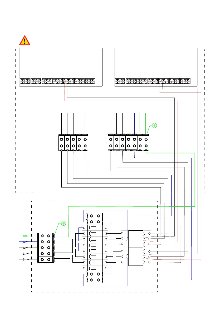
Example: Connection of EVK... extension box and Wallbox with 2 outlets
WARNING! Danger of electrical shock or injury.
Always disconnect power before carrying out work on the device.
F1 F2
XST1103
1
XST4003
1
XST4002
1
XST1200
1
XST1102
1
XST1101
1
XST1100
1
EX OUT 2
EX OUT 2
EX OUT 1
EX OUT 1
I2C Power
I2C SDA
I2C CLK
I2C GND
S0 Power
RS485 A
S0 Data
RS485 B
OPTO 2 -
OPTO 2 +
OPTO 1 -
OPTO 1 +
MCB1 IN
MCB2 IN
RCD IN
EX SOCKET IN
GND
GND
GND
GND
EX IN 1
EX IN 2
GND
GND
XST1103
1
XST4003
1
XST4002
1
XST1200
1
XST1102
1
XST1101
1
XST1100
1
EX OUT 2
EX OUT 2
EX OUT 1
EX OUT 1
I2C Power
I2C SDA
I2C CLK
I2C GND
S0 Power
RS485 A
S0 Data
RS485 B
OPTO 2 -
OPTO 2 +
OPTO 1 -
OPTO 1 +
MCB1 IN
MCB2 IN
RCD IN
EX SOCKET IN
GND
GND
GND
GND
EX IN 1
EX IN 2
GND
GND
EVK...
L1 L2 L3 N PE
L1 L2 L3 N PE
L1 L2 L3 N
N N
L2L1 L3 N L2L1 L3 N
L2L1 L3 N
L2L1 L3 N
L2L1 L3 L2L1 L3
L2L1 L3 L2L1 L3
N N N N
7 8 9 10 11 12
7 8 9 10 11 12
0,50,5
//
//
//
//
//
//
//
//
//
0,5
0,5
0,5
0,5
//
EVB200...
Charging outlet 1
Charging outlet 2
Controller 2
Controller 1
Supply
EEnergy
meter 1
EEnergy
meter 2

Other manuals for ensto Wallbox