EasyManua.ls Logo

ensto Wallbox - Power Supply

ensto Wallbox
36 pages
Print Icon
To Next Page IconTo Next Page
To Next Page IconTo Next Page
To Previous Page IconTo Previous Page
To Previous Page IconTo Previous Page
Loading...
18
RAK111_ENG / © Ensto 2019
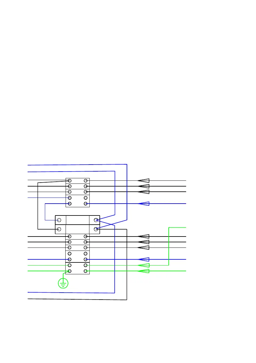
6.2. Power Supply
The voltage and current ratings including cables and line protector dimensioning must com-
ply with national regulations. System dimensioning must be done by a qualied electrical de-
signer.
Connect separate supply cables for each charging outlet.
Stranded cables are recommended in Wallbox installations.
EVB100 and EVB200: A Residual current protection device (RCD) and a circuit breaker (MCB) for
each charging outlet must be installed in the switchboard.
EVB101: A combined RCD / MCB is integrated in the charger.
Example 1: Supply connection from TN network for Wallbox with 2 outlets
N
L3
L2
L1
N
L3
L2
L1
SUPPLY 2
1
2
N
N
L3
L2
L1
PE
F01
MCB
B6
N
L3
L2
L1
PE
SUPPLY 1
PE
1
2

Other manuals for ensto Wallbox