EasyManua.ls Logo

EOS EMOTEC HCS 9003 - Connection of Sauna Heaters ≤ 9 Kw

EOS EMOTEC HCS 9003
47 pages
Print Icon
To Next Page IconTo Next Page
To Next Page IconTo Next Page
To Previous Page IconTo Previous Page
To Previous Page IconTo Previous Page
Loading...
13
GB
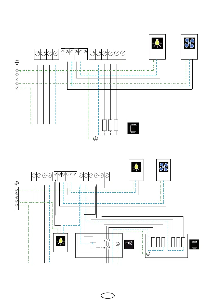
* For public installations without heating time limitation, the pilot light
must be installed in the control room.
P max. 9 kW
X3
X2X1
L1 L2 L3 N
N
N
U
V
W
WB
S1
FAN
LIGHT
WM
L N L N
400 V 3 N AC 50 Hz
max. 100 W
max. 100 W
400 V 3 N AC 50 Hz
LSG
*
P max. 9 kW
X3
X2X1
L1 L2 L3 N
N
N
U
V
W
WB
S1
FAN
LIGHT
WM
L N L N
400 V 3 N AC 50 Hz
max. 100 W
max. 100 W
Connection of sauna heaters ≤ 9 kW
Connection of sauna heaters > 9 kW

Table of Contents

Other manuals for EOS EMOTEC HCS 9003

Related product manuals