EasyManua.ls Logo

Epson LS3-401 series - Page 39

Epson LS3-401 series
186 pages
To Next Page IconTo Next Page
To Next Page IconTo Next Page
To Previous Page IconTo Previous Page
To Previous Page IconTo Previous Page
Loading...
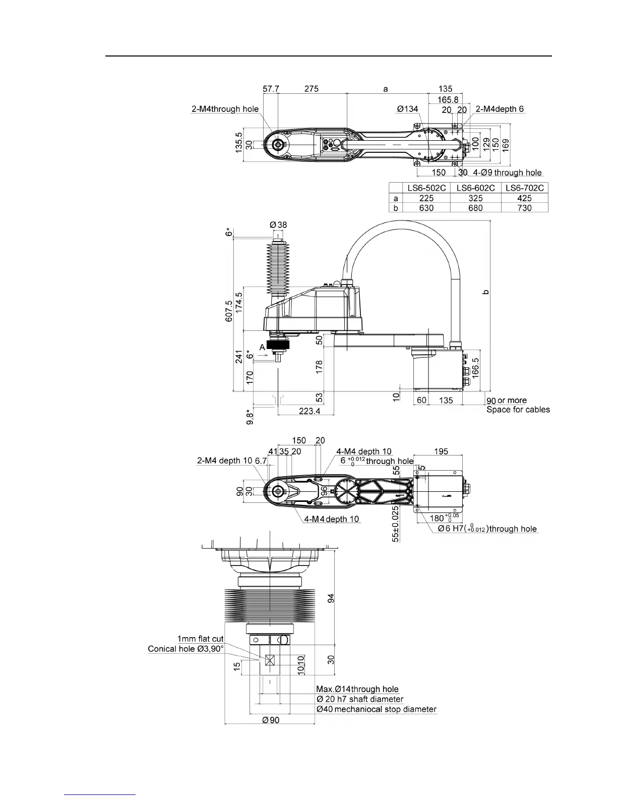
Setup & Operation 2. Specifications
LS Rev.10 25
Cleanroom-Model LS6-**2C
(*) indicates the stroke margin by mechanical stop.
Detail view from A

Table of Contents

Related product manuals