EasyManua.ls Logo

EWM drive 4 Basic - Notes on Welding Current Lead Installation

EWM drive 4 Basic
56 pages
Print Icon
To Next Page IconTo Next Page
To Next Page IconTo Next Page
To Previous Page IconTo Previous Page
To Previous Page IconTo Previous Page
Loading...
Design and function
Notes on the installation of welding current leads
099-005401-EW501
17.06.2014
23
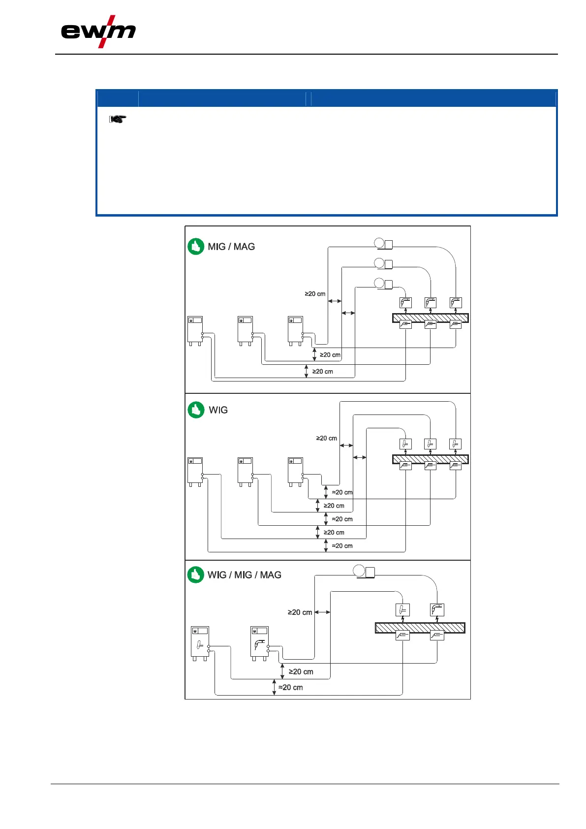
5.4 Notes on the installation of welding current leads
NOTE
Incorrectly installed welding current leads can cause faults in the arc (flickering).
Lay the workpiece lead and hose package of power sources without HF igniter
(MIG/MAG) for as long and as close as possible in parallel.
Lay the workpiece lead and hose package of power sources with HF igniter (TIG) for as
long as possible in parallel with a distance of 20 cm to avoid HF sparkover.
Always keep a distance of at least 20 cm to leads of other power sources to avoid
interferences.
Figure 5-1

Table of Contents