EasyManua.ls Logo

Fedders HFC1009N2F - Diagramas de Cableado

Fedders HFC1009N2F
64 pages
Print Icon
To Next Page IconTo Next Page
To Next Page IconTo Next Page
To Previous Page IconTo Previous Page
To Previous Page IconTo Previous Page
Loading...
2
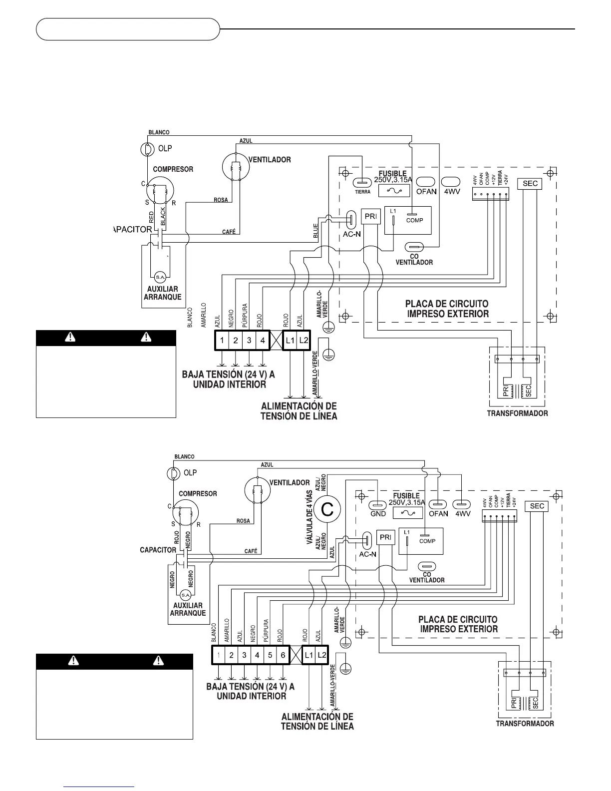
DIAGRAMAS DE CABLEADO
Unidad sólo de enfriamiento
Diagramas de cableado
A continuación están los diagramas de cableado para las unidades sólo de enfriamiento y con bomba de calor
Unidad con bomba de calor
ADVERTENCIA
LA UNIDAD INTERIOR
FUNCIONA CON BAJA TENSIÓN
(24VDC) SUMINISTRADA POR
LA UNIDAD EXTERIOR.
NO CONECTE LA TENSIÓN DE
LÍNEA A LA UNIDAD INTERIOR.
ADVERTENCIA
LA UNIDAD INTERIOR FUNCIONA
CON BAJA TENSIÓN (24VDC)
SUMINISTRADA POR LA UNIDAD
EXTERIOR.
NO CONECTE LA TENSIÓN DE
LÍNEA A LA UNIDAD INTERIOR.

Table of Contents

Related product manuals