EasyManua.ls Logo

Fedders HFC1009N2F - Schémas de Câblage

Fedders HFC1009N2F
64 pages
Print Icon
To Next Page IconTo Next Page
To Next Page IconTo Next Page
To Previous Page IconTo Previous Page
To Previous Page IconTo Previous Page
Loading...
2
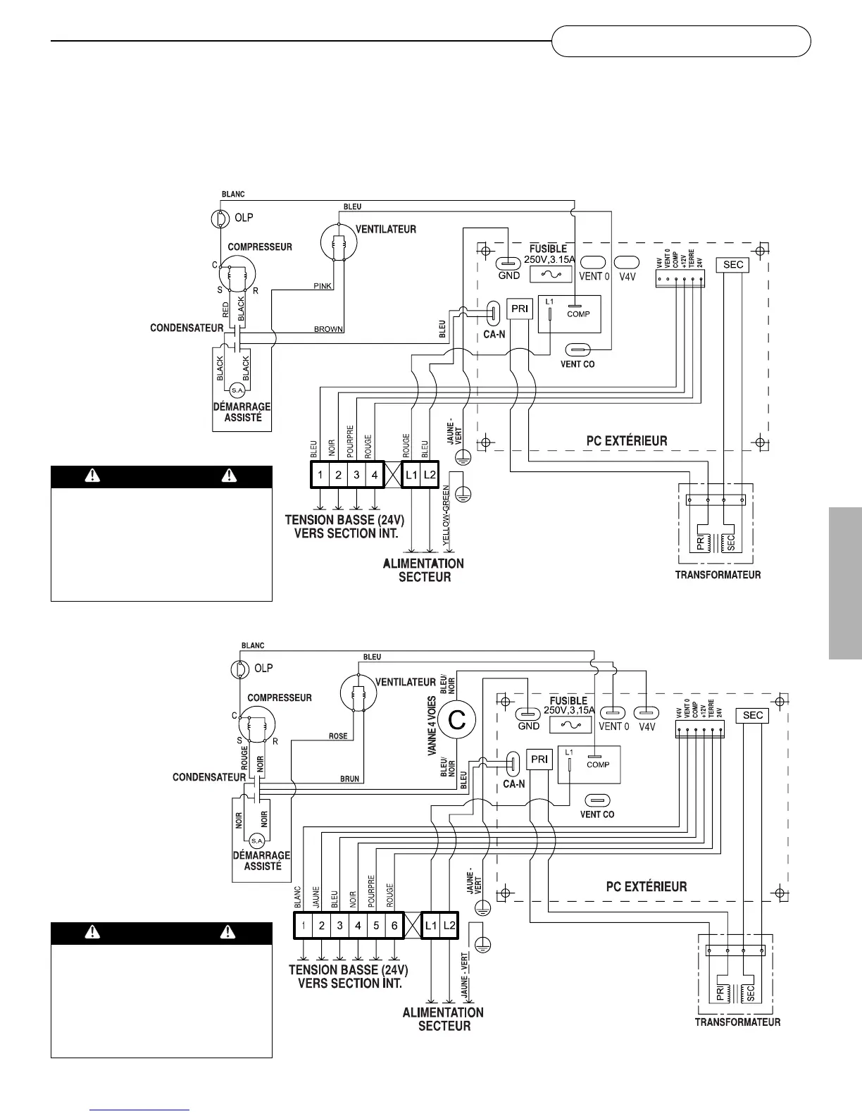
SCHÉMAS DE CÂBLAGE
Appareil avec refroidissement uniquement
Schémas de câblage
Voici les schémas de câblage des appareils avec refroidissement uniquement et avec pompe à chaleur.
Appareil avec pompe à chaleur
MISE EN GARDE
LA SECTION INTÉRIEURE EST
ALIMENTÉE PAR UNE BASSE
TENSION (24VDC) PROVENANT DE
LA SECTION EXTÉRIEURE.
NE PAS CONNECTER
L’ALIMENTATION SECTEUR À LA
SECTION INTÉRIEURE.
MISE EN GARDE
LA SECTION INTÉRIEURE EST
ALIMENTÉE PAR UNE BASSE
TENSION (24VDC) PROVENANT DE
LA SECTION EXTÉRIEURE.
NE PAS CONNECTER
L’ALIMENTATION SECTEUR À LA
SECTION INTÉRIEURE.
FRANÇAIS

Table of Contents

Related product manuals