EasyManua.ls Logo

Fedders HFC1009N2F - Wiring Diagrams; Cool Only Unit Wiring; Heat Pump Unit Wiring

Fedders HFC1009N2F
64 pages
Print Icon
To Next Page IconTo Next Page
To Next Page IconTo Next Page
To Previous Page IconTo Previous Page
To Previous Page IconTo Previous Page
Loading...
2
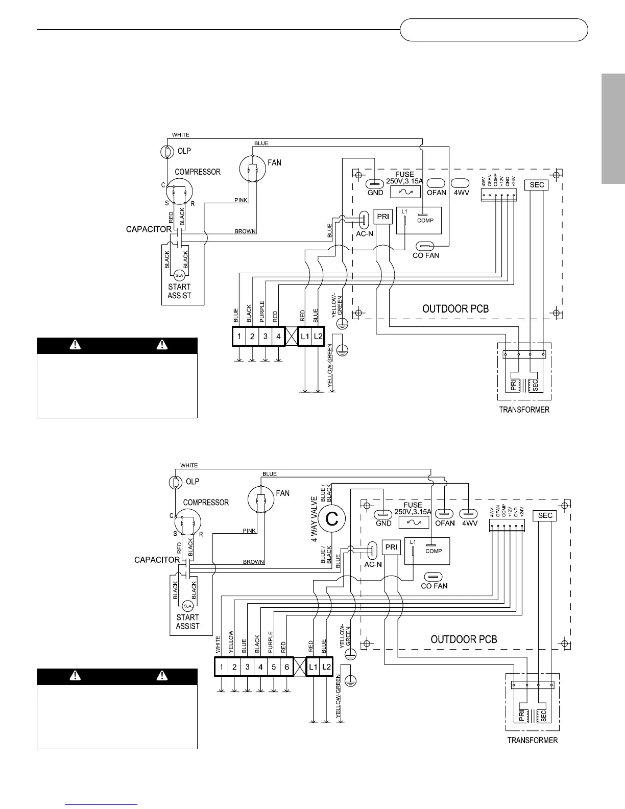
WIRING DIAGRAMS
LOW VOLTAGE (24V)
TO INDOOR UNIT
LINE VOLTAGE
POWER SUPPLY
LOW VOLTAGE (24V)
TO INDOOR UNIT
LINE VOLTAGE
POWER SUPPLY
Cool only unit
Wiring diagrams
Below are wiring diagrams for both cool only and heat pump units
Heat pump unit
WARNING
INDOOR UNIT OPERATES ON LOW
VOLTAGE (24VDC) SUPPLIED BY
THE OUTDOOR UNIT.
DO NOT CONNECT LINE VOLTAGE
TO THE INDOOR UNIT.
WARNING
INDOOR UNIT OPERATES ON LOW
VOLTAGE (24VDC) SUPPLIED BY
THE OUTDOOR UNIT.
DO NOT CONNECT LINE VOLTAGE
TO THE INDOOR UNIT.
ENGLISH

Table of Contents

Related product manuals