EasyManua.ls Logo

Flott SB 23 Plus - Page 96

Default Icon
99 pages
Print Icon
To Next Page IconTo Next Page
To Next Page IconTo Next Page
To Previous Page IconTo Previous Page
To Previous Page IconTo Previous Page
Loading...
Dimensional Drawings and Wiring Diagrams
96
04/03/2020 218333
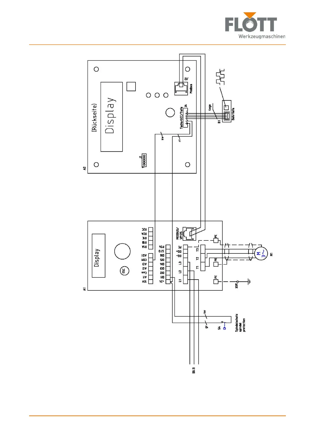
Fig.: Wiring diagram (part 2) SB/TB/TBZ 20/23/25 Plus

Table of Contents

Related product manuals