EasyManua.ls Logo

Flow HYPLEX - Page 53

Default Icon
100 pages
Print Icon
To Next Page IconTo Next Page
To Next Page IconTo Next Page
To Previous Page IconTo Previous Page
To Previous Page IconTo Previous Page
Loading...
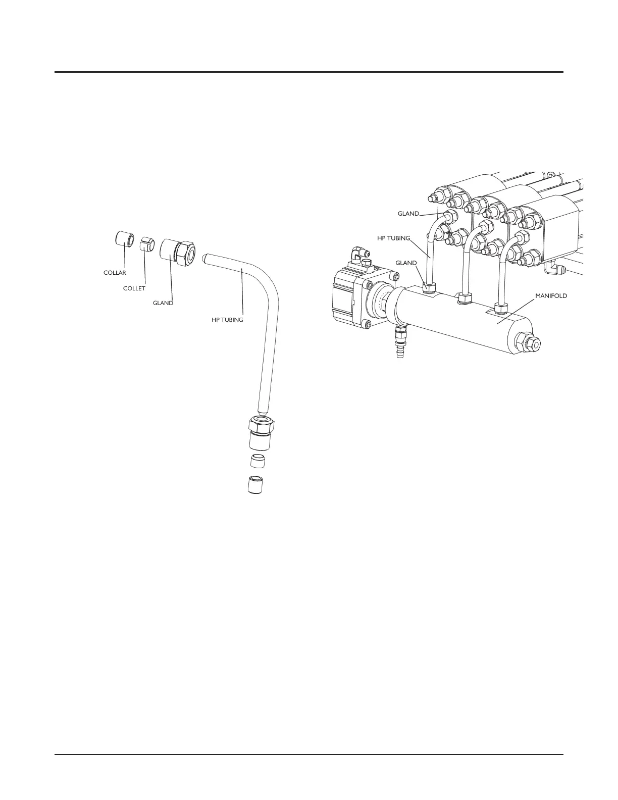
Install the manifold assembly
1. Apply a thin coat of Blue Lubricant to each of the
threads on the 3/8 in. high-pressure glands.
2. Slide tube shielding over the tube length.
3. On each end of the tube: slide a gland on to the
tube, then thread a collet and a collar on the
threaded end of the tube.
4. Repeat Steps 1-3 for the remaining high-pressure
tubes.
5. Insert one end of the tube into the high-pressure
port on the manifold and loosely thread the glands
in place. Repeat for the other two high-pressure
tubes.
6. Loosely thread the other end of each of the three
tubes into the end cap ports.
7. Once in place, tighten all six gland nuts. Torque to
40 ft-lb (54 N-m).
8. Reconnect all high- and low-pressure interface con-
nections.
© Flow International Corporation M-416 | 53
CHAPTER 4
Service

Table of Contents

Related product manuals