EasyManua.ls Logo

Flowserve Limitorque LTQ008 - BIC On;Off Control Operation

Flowserve Limitorque LTQ008
41 pages
Print Icon
To Next Page IconTo Next Page
To Next Page IconTo Next Page
To Previous Page IconTo Previous Page
To Previous Page IconTo Previous Page
Loading...
LTQ008 – LTQ230 Series 3-Phase Products User Instructions – AIIOM000165 EN
Page 13 of 40
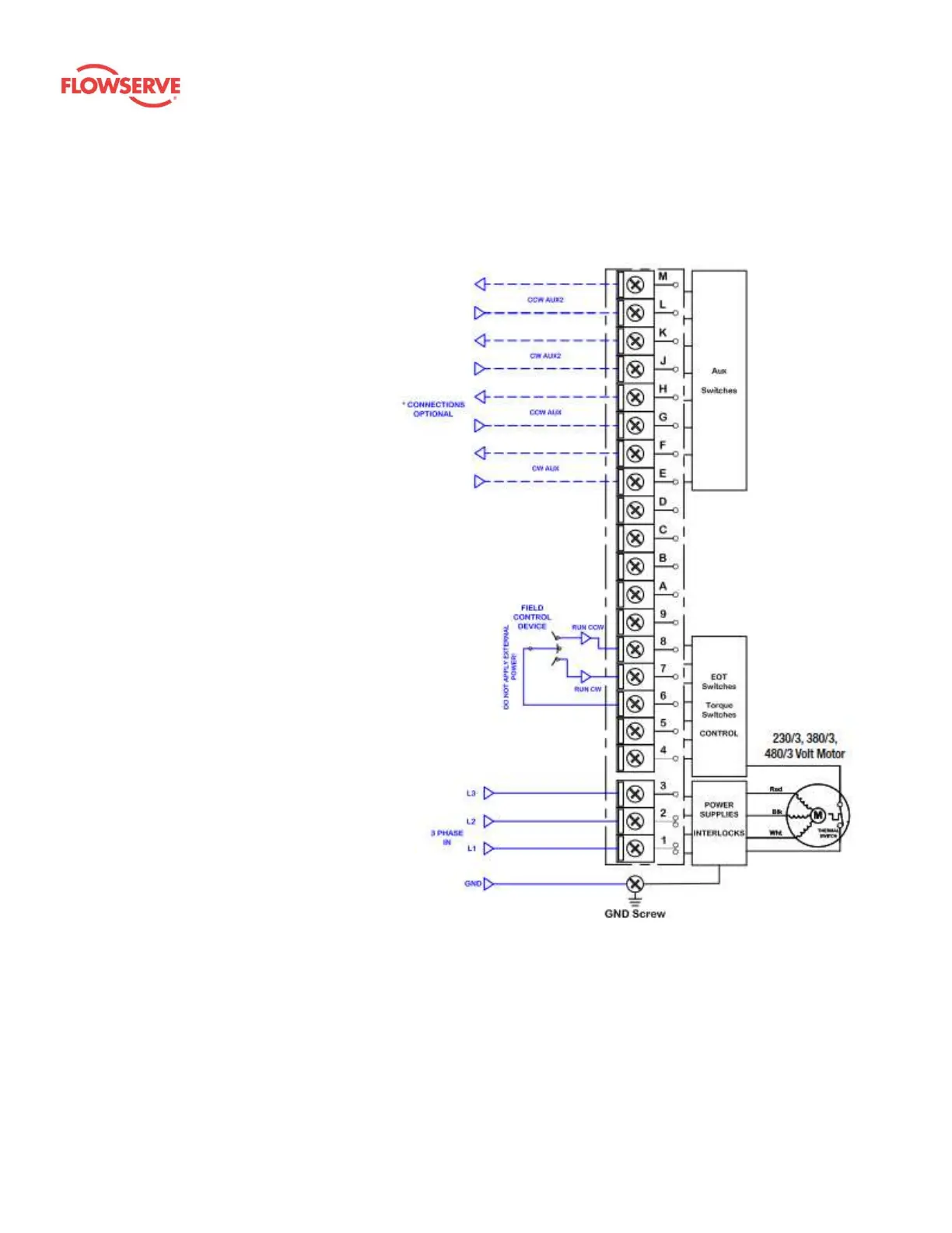
5.2 LTQ008 – LTQ230 BIC (230/3 – 480/3 On/Off Control)
These models are designed to be used where there are no existing MCCs. Typically, these are used in new
facilities, or where additions to existing switch gears have available space limitations or is otherwise just not
feasible. The actuator generates a 24V control voltage to be utilized by the field control device, which
switches that voltage between CW and CCW commands back to the actuator terminal block.
The inside of the actuator contains:
1. A Reversing Motor Starter. This
actuator is commanded to run
CW (0°) or CCW (90°) as a
function of received control
signals. The actuator contains the
required reversing motor starter on
the inside.
2. Phase Monitor Circuitry. If phasing
is incorrect at the actuator, the
protective circuitry will
automatically reverse two of the
three legs to allow the motor to
drive in the correct direction. With
this built-in protection device,
improper phasing is non-existent.
The installer needs neither worry
about proper phasing being
brought to the actuator, nor
possible phase reversal in the
future; it is auto-correcting.
3. No Local Control Device. There is
no way to operate the actuator
locally. An external PLC, BAS, or
other automation controller is
required for operation. These units
will require volt-free contacts (dry
contacts) in one of the above-
mentioned devices, which will
switch the actuator’s internal
24VAC power supply to generate
commands to drive CW or CCW.
Without some type of automation
interface, there will be no way to
command the actuator to move
in either direction.
Figure 7: LTQ008 – LTQ230 BIC (230/3 – 480/3 On/Off control) wiring
diagram

Related product manuals