EasyManua.ls Logo

Flowserve Limitorque LTQ008 - BIC + LL On;Off Control Operation

Flowserve Limitorque LTQ008
41 pages
Print Icon
To Next Page IconTo Next Page
To Next Page IconTo Next Page
To Previous Page IconTo Previous Page
To Previous Page IconTo Previous Page
Loading...
LTQ008 – LTQ230 Series 3-Phase Products User Instructions – AIIOM000165 EN
Page 15 of 40
5.4 LTQ008 – LTQ230 BIC + LL (230/3 – 480/3 On/Off Control)
These advanced, stand-alone actuators are designed to be installed in new construction sites, or existing sites,
where there are no MCCs. These advanced, three-phase actuators have several versions that continue to
add more features and options. These actuators generate a 24 V control output that is connected to a
remote PLC or BAS to control the actuator. This 24 V output also serves as a status of the 3-phase connections
and actuator operability. Any internal faults will disable the 24 V control output. Moreover, these units
incorporate an LCS to facilitate the operation of the actuator locally. Having this feature allows for operation
of the actuator without having an existing PLCS or BAS-based analog controller, while also providing
operability with existing external controls.
The inside of the actuator contains:
1. A Reversing Motor Starter. This
actuator is commanded to run CW
(0°) or CCW (90°) as a function of
control signals from the LCS or the
remote control. The required
reversing motor starter is already
located inside the actuator.
2. Phase Correction Circuitry. If
phasing is incorrect at the actuator,
limit switches and torque switches
are not necessarily in the correct
circuit to protect the gear train or
actuator from damage. Built-in
phase protection circuitry will
automatically reverse two of the
three legs to allow the motor to drive
in the correct direction. With this
built-in protection device, improper
phasing is non-existent. The installer
needs neither worry about proper
phasing being brought to the
actuator, nor possible phase reversal
in the future.
3. Integral Local Control Device. This
series is designed to operate in
LOCAL mode (control knobs located
on the face of the LCS, which is an
integral part of the actuator) or in
REMOTE mode, which utilizes
commands from a PLC, BAS, or other
volt-free contact (dry contact)
automation device. While in LOCAL
mode, the actuator responds to the
position of the controls located on
the face of the integral LCS. The
mode switch employs a
padlockable lever that locks the
mode switch in any of its three
positions, preventing unauthorized
changes in the operating mode
(LOCAL, OFF, or REMOTE).
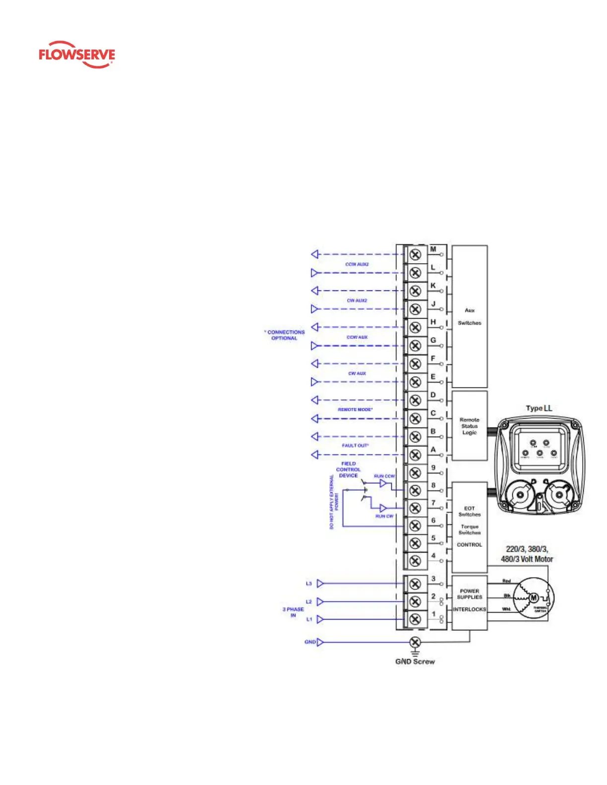
Figure 9: LTQ008 – LTQ230 BIC + LL (230/3 – 480/3 On/Off control)
wiring diagram

Related product manuals