EasyManua.ls Logo

Freestyle 80 - Page 117

Freestyle 80
128 pages
Print Icon
To Next Page IconTo Next Page
To Next Page IconTo Next Page
To Previous Page IconTo Previous Page
To Previous Page IconTo Previous Page
Loading...
Part number 550-142-850/0716
117
FreeStyle
®
WALL MOUNT GAS-FIRED WATER BOILERBoiler Manual
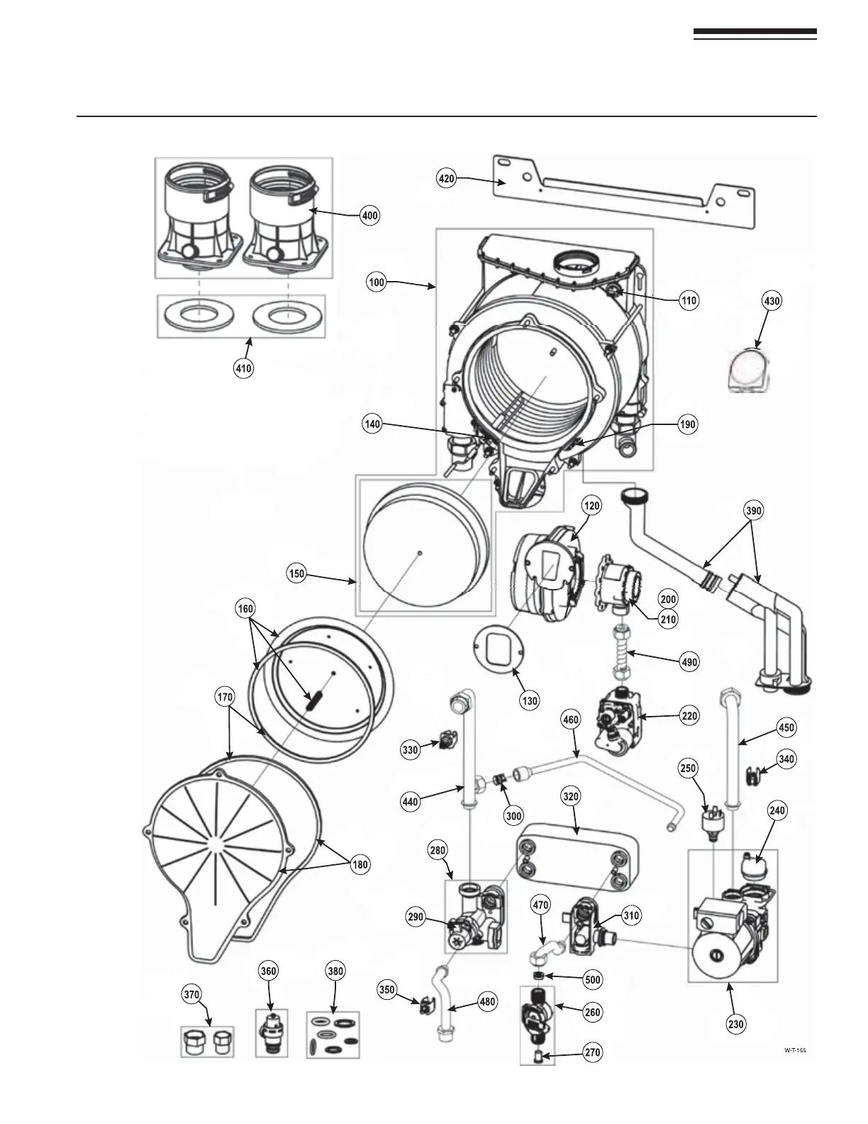
&IGURE "OILERREPLACEMENTKITSANDPARTSFreeStyle
®
 (Combi)continued
34 Replacement parts(continued)

Table of Contents

Other manuals for Freestyle 80

Related product manuals