EasyManua.ls Logo

Freestyle 80 - Boiler Wiring Diagrams

Freestyle 80
128 pages
Print Icon
To Next Page IconTo Next Page
To Next Page IconTo Next Page
To Previous Page IconTo Previous Page
To Previous Page IconTo Previous Page
Loading...
Part number 550-142-850/0716
52
FreeStyle
®
WALL MOUNT GAS-FIRED WATER BOILERBoiler Manual
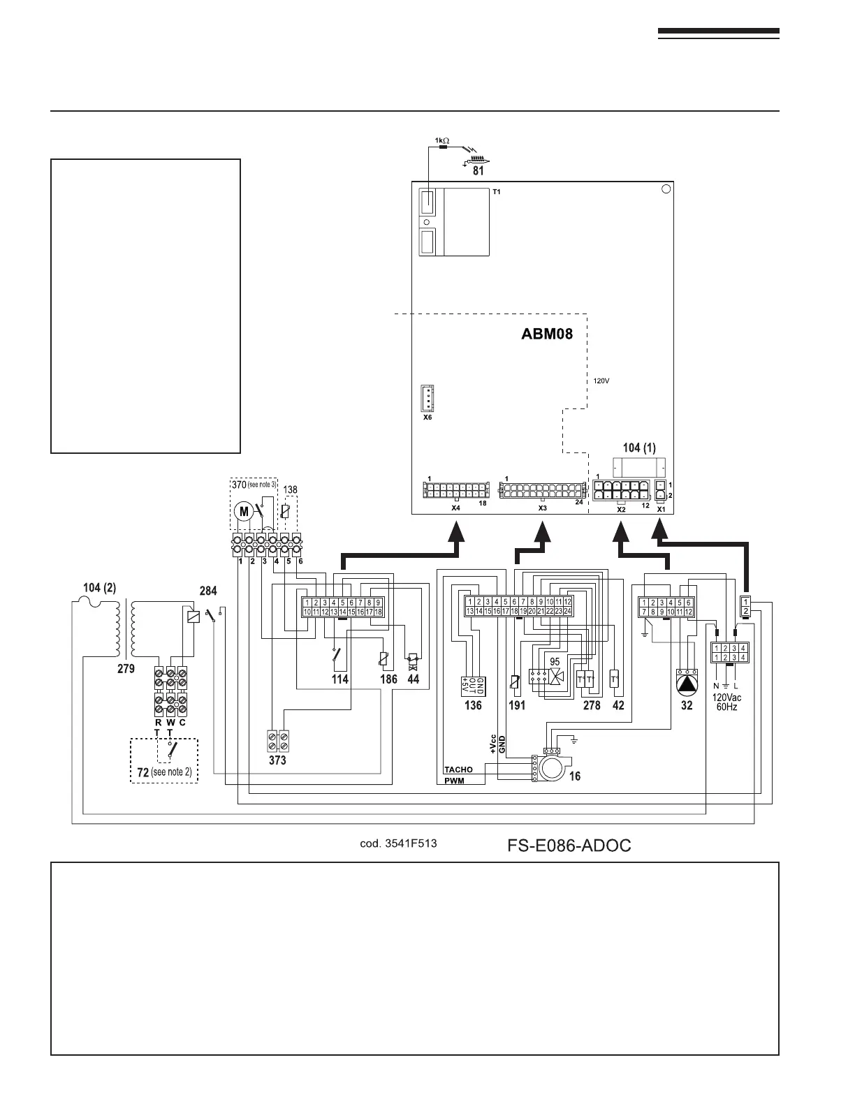
22 Wiring diagram — FS-80/120 Combi Ladder
Figure 66 FreeStyle®#OMBI,ADDER7IRING$IAGRAM
Legend
16 Fan
32 Central heating pump
42 DHW temperature sensor
44 Gas valve
72 Room thermostat (optional)
81 Ignition electrode
95 Mixing (diverting) valve
104(1) Fuse 3.15A
104 (1) Fuse 630mA
114 Water pressure switch
136 Flow meter
138 Outside temperature sensor (optional on Combi)
186 Return temperature sensor
191 Exhaust temperature sensor
278 Double sensor (heating + safety)
279 Transformer 115-24 Vac
284 Relay SPST-Coil 24 Vac
370 LWCO (optional)
373 “OPENTHERM” communication (Not used)
NOTES:
1. All wiring must be installed
in accordance with N.E.C.
and any other national
state or local require-
ments.
2. Room thermostat should
be a dry contact type and
should draw power from
the control board: should
not be greater than 24 Vac
and 500 mA.
3. Max. voltage and electric
current for the LWCO
should not be greater than
120 Vac and 3 Amp.
4. In case of questions during
installation please contact
your local W-T distributor.

Table of Contents

Other manuals for Freestyle 80

Related product manuals