EasyManua.ls Logo

Freestyle 80 - Page 38

Freestyle 80
128 pages
Print Icon
To Next Page IconTo Next Page
To Next Page IconTo Next Page
To Previous Page IconTo Previous Page
To Previous Page IconTo Previous Page
Loading...
Part number 550-142-850/0716
38
FreeStyle
®
WALL MOUNT GAS-FIRED WATER BOILERBoiler Manual
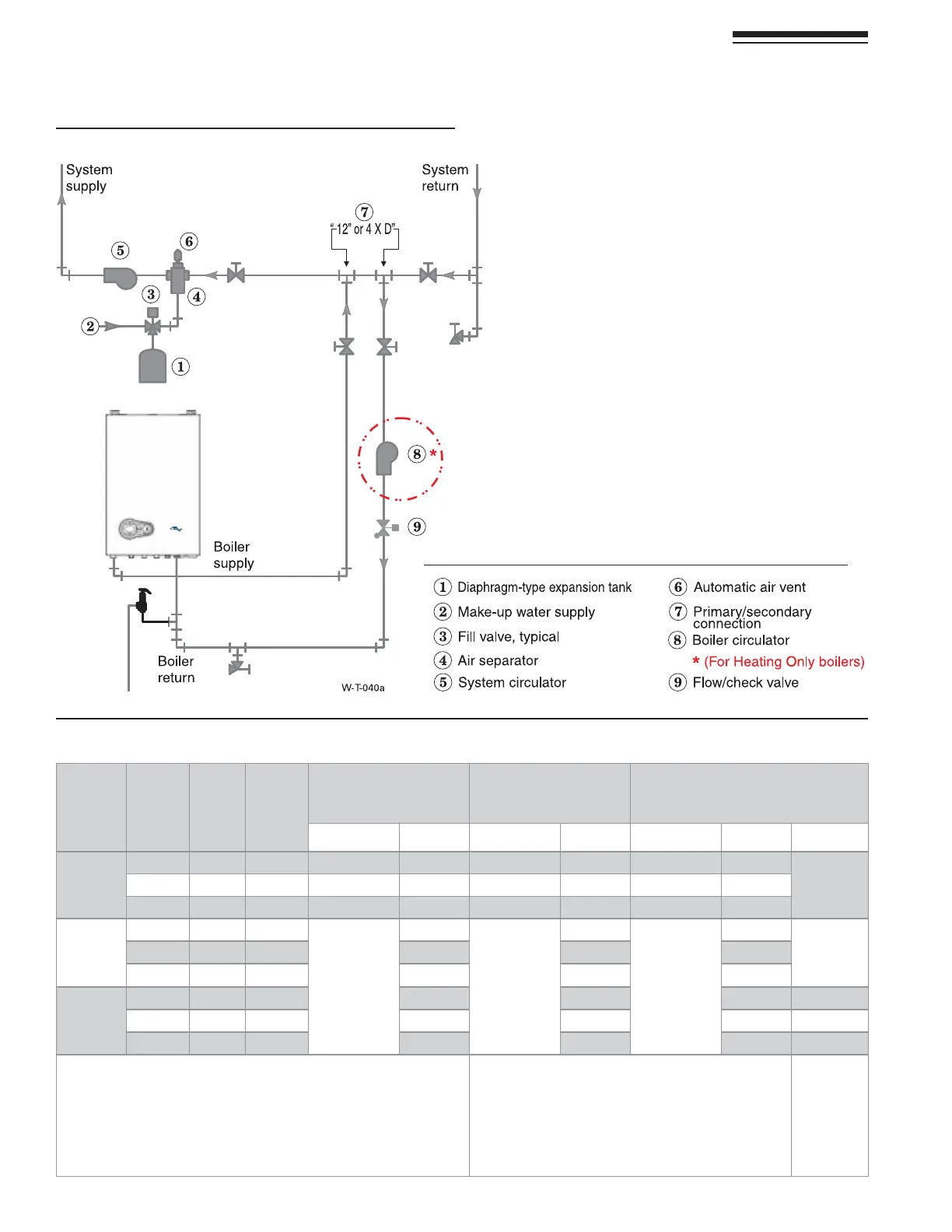
Figure 45 Piping to diaphragm (or bladder) expansion tank
Figure 46 Pressure drop through FreeStyle
®
80/120/155 heat exchanger (graphs and table)
Boiler
Model
BOILER
dT
(ºF)
(GPM)
@
92%
Eff.
Boiler
Head
Loss
(ft. w.c.)
Piping Est. Head Loss -
Ft. (Typical Near Boiler)
Total Loss - Ft.
(Boiler + Near Boiler
Piping)
Recommended
Circulators
3/4” Pipe 1” Pipe 3/4” Pipe 1” Pipe 3/4” Pipe 1” Pipe 1-1/4” Pipe
FS-80
HEAT
ONLY
20 7.4 7.8 12.5 3.0 20.3 10.8 A B,C,D
___30 4.9 4.0 6.0 1.5 10.0 5.5 B,C,D,E B,C,D,E
40 3.7 2.7 3.5 0.8 6.2 3.5 B,C,D,E B,C,D,E
FS-120
HEAT
ONLY
20 11.0 14.4
Not
Recommended
6.0
Not
Recommended
20.4
Not
Recommended
A,F
___
30 7.3 7.5 3.0 10.5 B,C,D
40 5.5 4.6 1.8 6.4 B,C,D,E
FS-155
HEAT
ONLY
20 14.3 35.6 9.6 45.8 --- ---
30 9.5 16.4 4.6 21.0 F F
40 7.1 9.2 2.8 12.0 A,B,D A,B,D
Notes:
1. Operating point with current Grundfos pump inside
the boiler.
2. Combi pump included in the boiler is sized properly
for boiler loop.
Circulator Legend:
A - Taco 0014
B - Taco 0015
C - Grundfos UPS 15-58
D - B&G NRF 25
E - Taco 007
F - Taco 0011
17 Primary/Secondary System Piping (continued)

Table of Contents

Other manuals for Freestyle 80

Related product manuals