EasyManua.ls Logo

Frymaster 45 Series - Page 47

Frymaster 45 Series
86 pages
Print Icon
To Next Page IconTo Next Page
To Next Page IconTo Next Page
To Previous Page IconTo Previous Page
To Previous Page IconTo Previous Page
Loading...
1-41
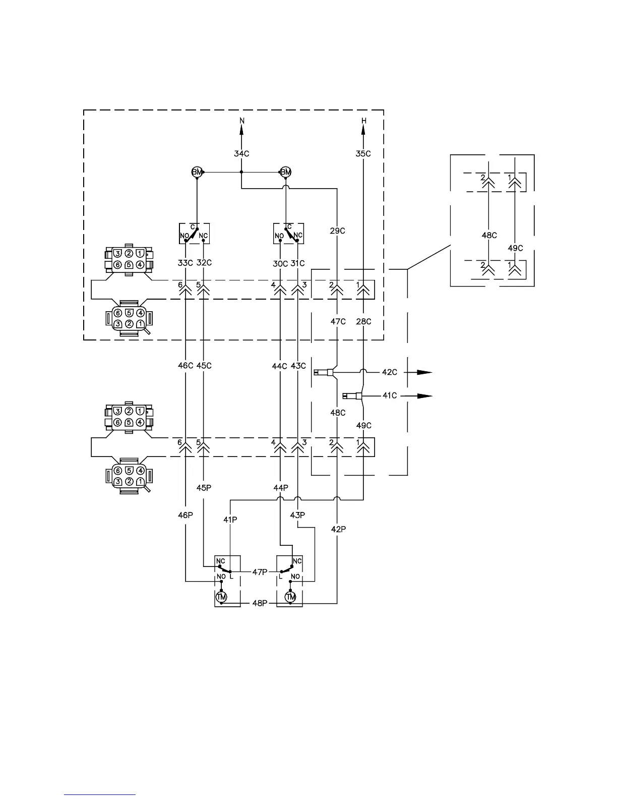
PLAN WIRING DIAGRAM
45 SERIES BASKET LIFT SYSTEM
LEFT
BASKET LIFT MOTOR
RIGHT
BASKET LIFT MOTOR
LEFT
MICROSWITCH
RIGHT
MICROSWITCH
DISCONNECT PLUG
6 PIN CONNECTOR
MILLIVOLT FRYER WIRING
TO 120V OR 240V
TRANSFORMER IN
FRYER
DISCONNECT PLUG
6 PIN CONNECTOR
LEFT TIMER RIGHT TIMER
8050379E

Table of Contents

Related product manuals