EasyManua.ls Logo

Frymaster 45 Series - Wiring Diagrams

Frymaster 45 Series
86 pages
Print Icon
To Next Page IconTo Next Page
To Next Page IconTo Next Page
To Previous Page IconTo Previous Page
To Previous Page IconTo Previous Page
Loading...
1-36
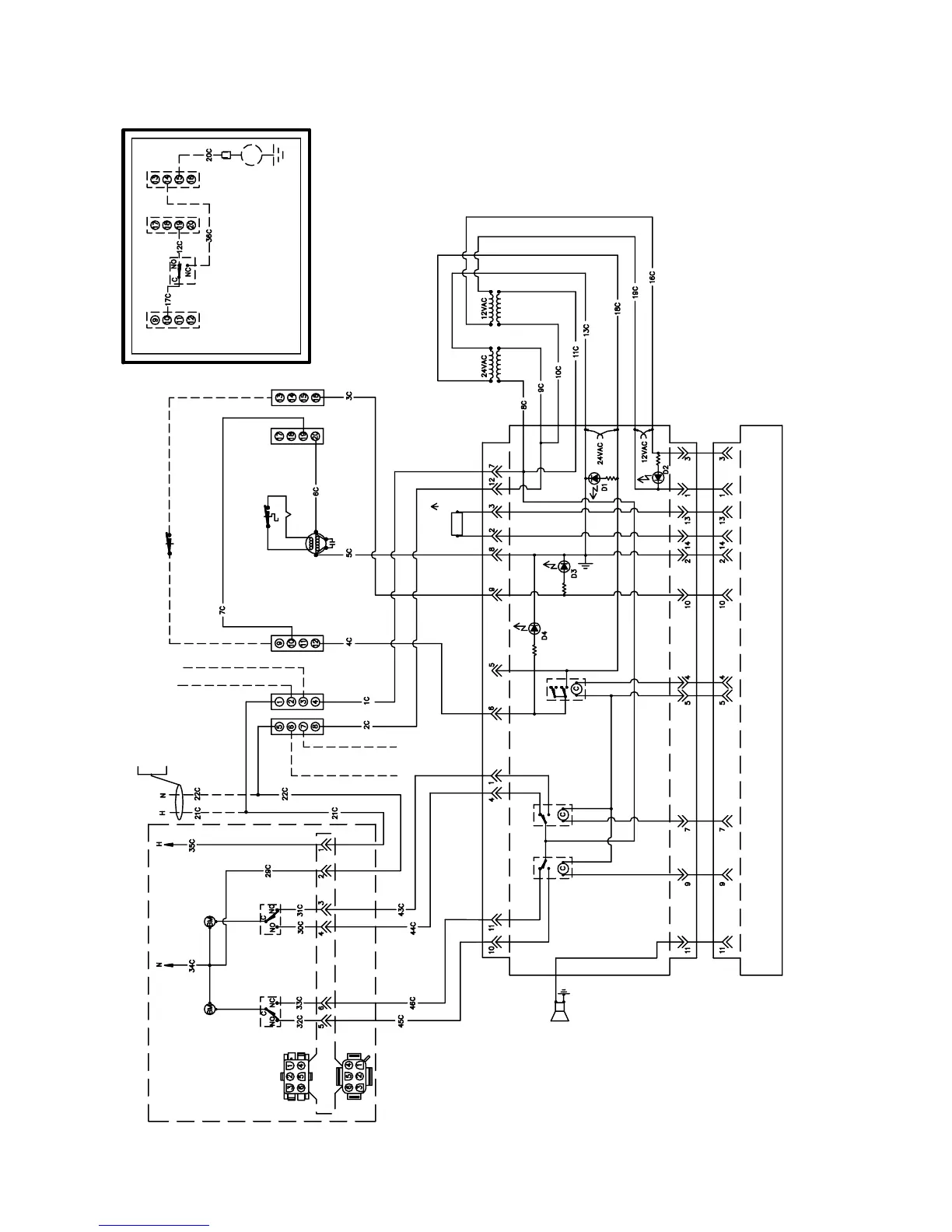
1.11 Wiring Diagrams
8050382E
NOTE:
(1) CONNECT WIRE 21C FROM PIN 1 (20 PIN TERMINAL
BLOCK) DIRECT TO POWER SUPPLY.
(2) CONNECT WIRE 22C FROM PIN 5 (20 PIN TERMINAL
BLOCK) DIRECT TO POWER SUPPLY.
INSERT
SOUND DEVICE
(FOR CONTROLLERS ONLY)
PLAN WIRING DIAGRAM
240/24V, 120/24V, 60HZ, 1Ø, 3 WIRE SERVICE
OPTIONAL PRESSURE SWITCH
SAFETY DRAIN OPTION (SEE INSERT)
HI-LIMIT T'STAT
PILOT GENERATOR
CAPACITOR
PROBE
H TO NEXT FRYER
H TO FILTER
POWER SUPPLY WITHOUT
BASKET LIFT.
N TO NEXT FRYER
N TO FILTER
OPTIONAL BASKET LIFT FOR 45 SERIES ONLY
LEFT
BASKET LIFT MOTOR
RIGHT
BASKET LIFT MOTOR
LEFT
MICROSWITCH
RIGHT
MICROSWITCH
DISCONNECT PLUG
6 PIN CONNECTOR
SOUND DEVICE
FOR COMPUTER OR
BASKET LIFT TIMER
ONLY.
INTERFACE BOARD
BASKET LIFT RELAY BASKET LIFT RELAY
COMPUTER BASKET LIFT TIMER ANALOG CONTROLLER DIGITAL CONTROLLER
GAS VALVE RELAY

Table of Contents

Related product manuals