EasyManua.ls Logo

Frymaster LOV BIELA14 - RTI Wiring and Plumbing Schematics

Frymaster LOV BIELA14
96 pages
Print Icon
To Next Page IconTo Next Page
To Next Page IconTo Next Page
To Previous Page IconTo Previous Page
To Previous Page IconTo Previous Page
Loading...
1-24
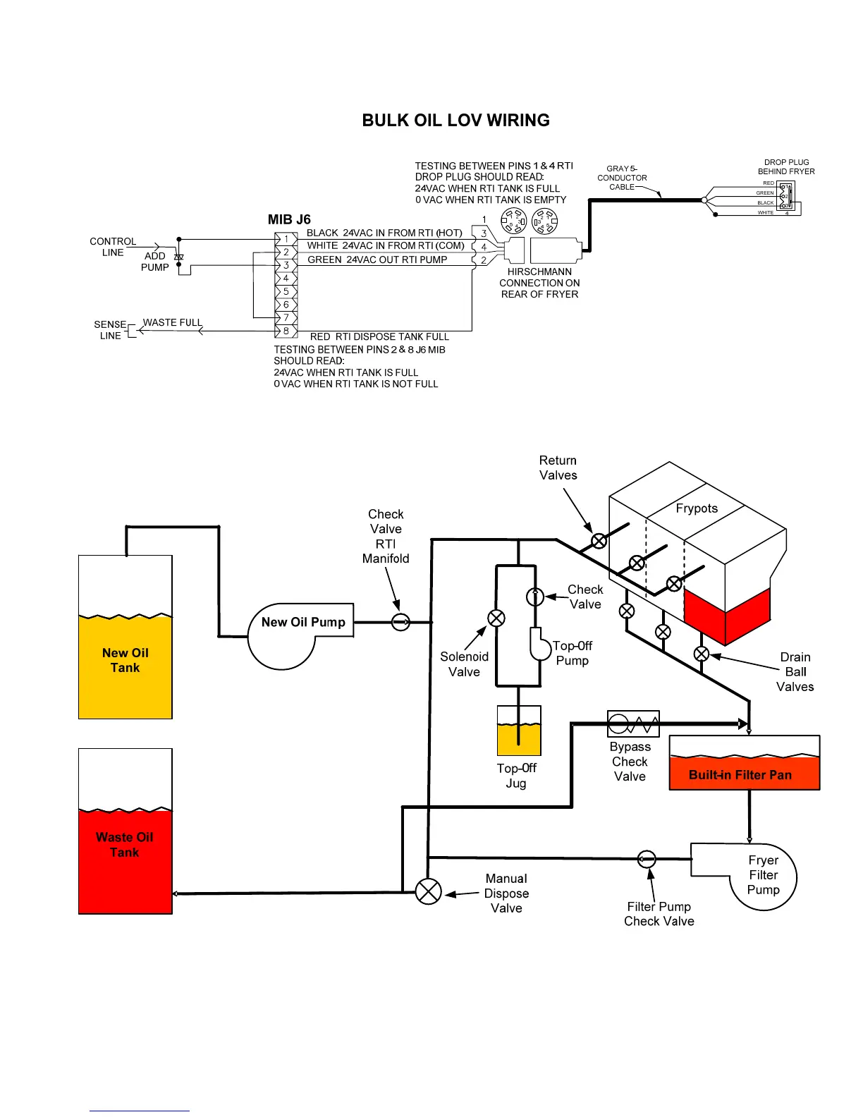
1.12.2 RTI LOV™ Wiring
1.12.3 Frymaster LOV™ Fryer and RTI Bulk Oil System Plumbing Schematic

Table of Contents

Related product manuals