EasyManua.ls Logo

Frymaster LOV BIELA14 - Page 57

Frymaster LOV BIELA14
96 pages
Print Icon
To Next Page IconTo Next Page
To Next Page IconTo Next Page
To Previous Page IconTo Previous Page
To Previous Page IconTo Previous Page
Loading...
1-50
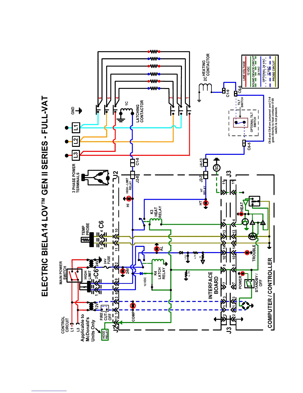
1.19.7 Simplified BIELA14 LOV™ Gen II Series – Full Vat Delta Wiring

Table of Contents

Related product manuals