EasyManua.ls Logo

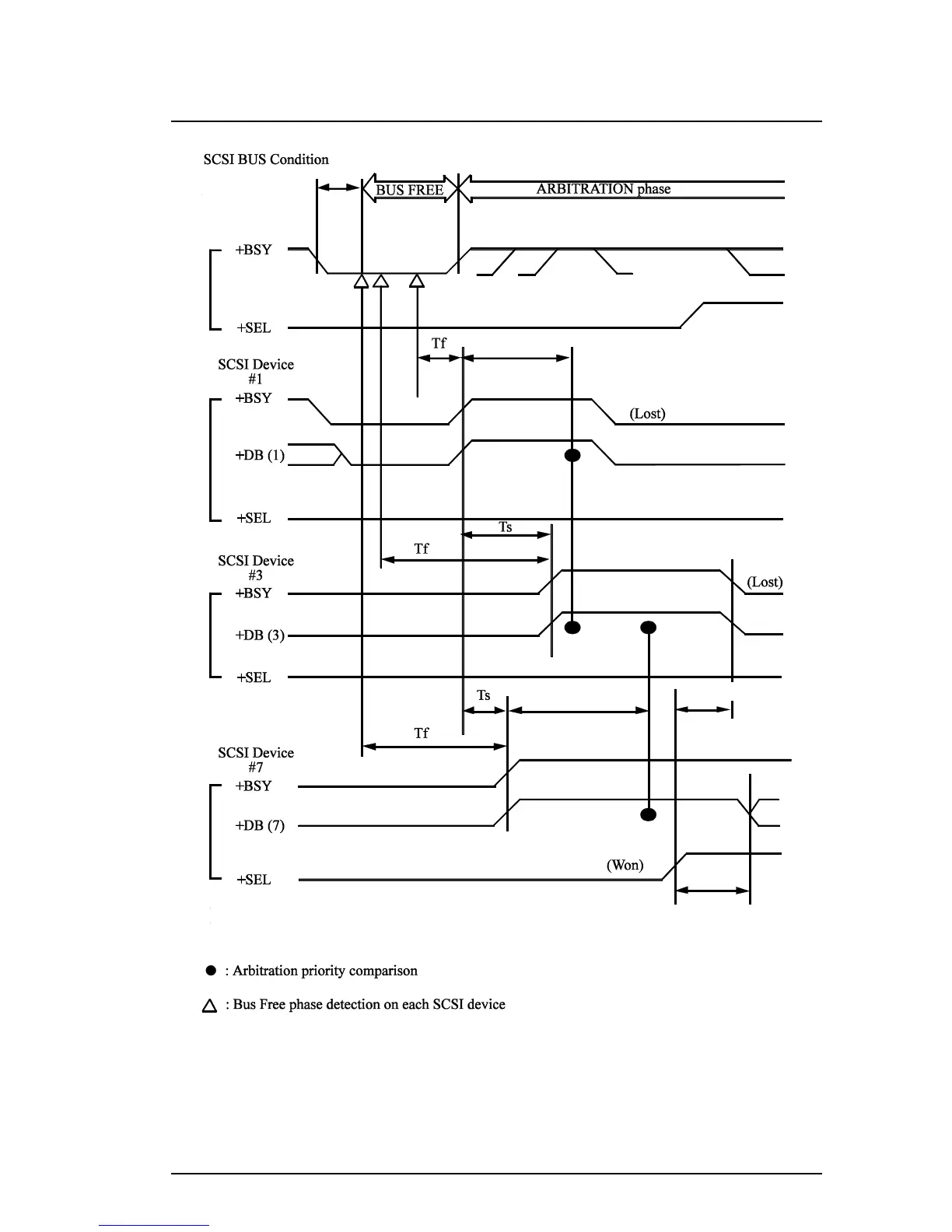
Fujitsu MCM3064SS - Figure 7.10 ARBITRATION Phase

Fujitsu MCM3064SS
170 pages
Print Icon
To Next Page IconTo Next Page
To Next Page IconTo Next Page
To Previous Page IconTo Previous Page
To Previous Page IconTo Previous Page
Loading...
7.6 Bus Phases
C156-E228-02EN 7-21
Bus Settle Delay
(Min)
A
rbitration
Delay (Min)
A
rbitration Delay
(Min)
Bus Clear Delay
(Max)
Tf: Bus Free Delay (Min)
Ts: Bus Set Delay (Max)
B
us Clear Delay +
Bus Settle Delay (Min)
Figure 7.10 ARBITRATION phase

Table of Contents