EasyManua.ls Logo

Fujitsu MCM3064SS - Page 48

Fujitsu MCM3064SS
170 pages
Print Icon
To Next Page IconTo Next Page
To Next Page IconTo Next Page
To Previous Page IconTo Previous Page
To Previous Page IconTo Previous Page
Loading...
Installation Requirements
3-6 C156-E228-02EN
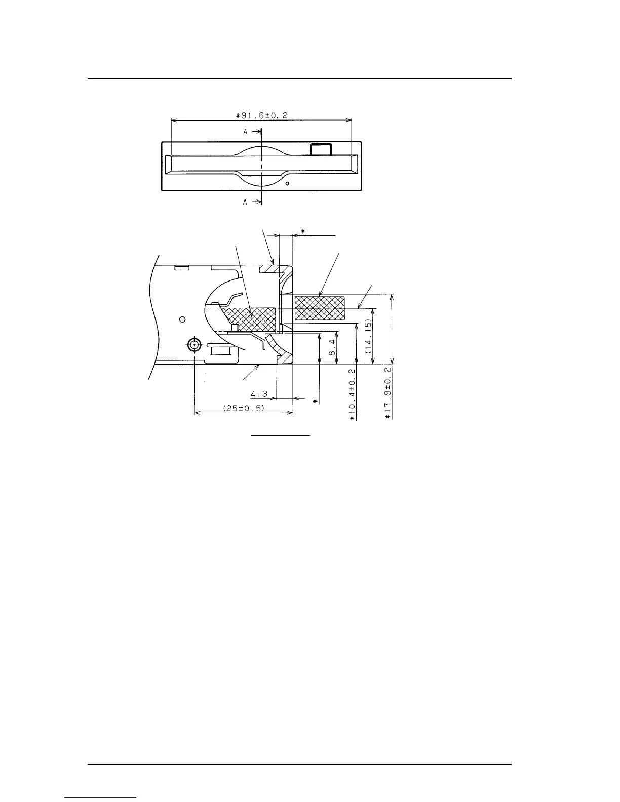
Position after a cartridge is loaded
B
ottom of
the frame
Position when loading a cartridge
Center of a cartridge when loaded
A-A Section
Below 3.3
Panel
Below 7.8
Figure 3.2 Outer dimensions (2 of 2)
Notes
1. Fujitsu recommends using the dimensions indicated by asterisks in the above
figure for the size of the panel opening.
2. If the specified dimensions are not used, the MO disks might be damaged
when a cartridge is loaded.

Table of Contents

Related product manuals