EasyManua.ls Logo

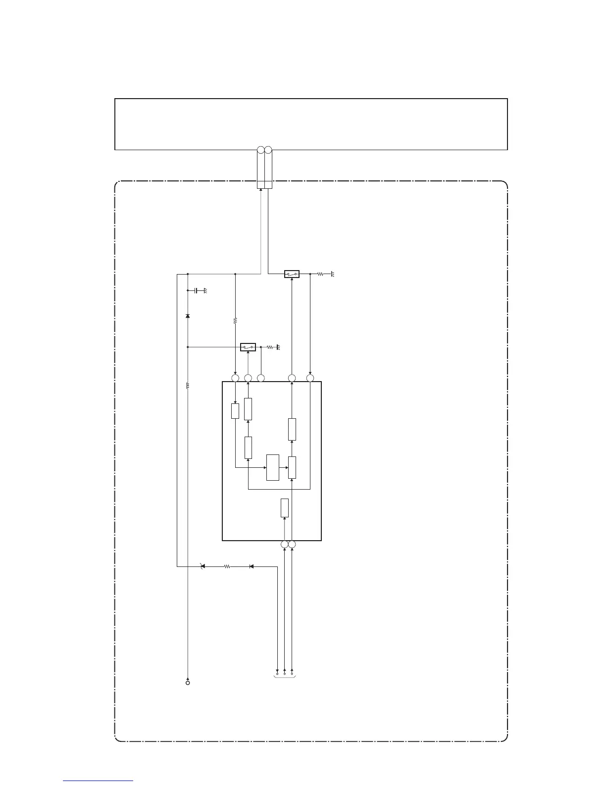
FUNAI LF320EM5F - LED Backlight Drive Block Diagram (Type D)

FUNAI LF320EM5F
143 pages
Print Icon
To Next Page IconTo Next Page
To Next Page IconTo Next Page
To Previous Page IconTo Previous Page
To Previous Page IconTo Previous Page
Loading...
9-14
4. LED Backlight Drive Block Diagram
IC1001
(LED BACKLIGHT DRIVER)
OVP
DRIVE
LOGIC
ISW
Q1001
3
2
6 LOGIC
14
DRIVE
LDO
FAIL
DETECT
13
15
11
VLED1
ILED2
Q1003
LCD PANEL
ASSEMBLY
PROTECT3
BACKLIGHT-ADJ
BACKLIGHT-SW
TO
SYSTEM CONTROL
BLOCK DIAGRAM
P-ON+21V
CN1001
DIGITAL MAIN CBA UNIT
FL14.10DBLBD

Table of Contents

Related product manuals