EasyManua.ls Logo

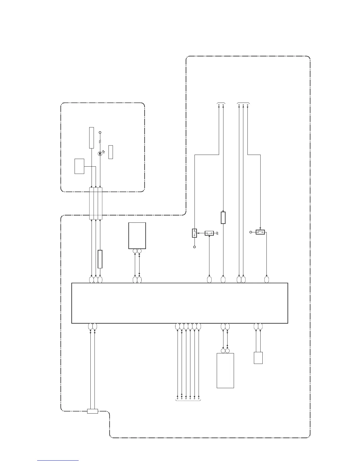
FUNAI LF320EM5F - System Control Block Diagram (Type E); [Type E]

FUNAI LF320EM5F
143 pages
Print Icon
To Next Page IconTo Next Page
To Next Page IconTo Next Page
To Previous Page IconTo Previous Page
To Previous Page IconTo Previous Page
Loading...
9-16
IC3101
(MAIN MICRO CONTROLLER)
DIGITAL MAIN CBA UNIT
XOUT
XIN
X3101
24MHz
OSC
TO VIDEO/AUDIO
BLOCK DIAGRAM
AMP-MUTE
AMP-MUTE
COMP-DET
HP-MUTE
HP-DET
HP-DET
HP-MUTE
COMP-DET
VGA-SCL
VGA-SCL
VGA-SDA
VGA-SDA
123
124
53
117
63
64
98
99
116
54
CN3009
USB(+)
USB(-)
USB(+)
USB(-)
USB JACK
TO
LED BACKLIGHT DRIVE
BLOCK DIAGRAM
TO
POWER SUPPLY
BLOCK DIAGRAM
RESET
P-ON-H2
PROTECT3
BACKLIGHT-SW
BACKLIGHT-ADJ
PROTECT3
P-ON+3.3V
AL+3.3V
Q3105
Q3106
Q3103
P-ON-H2
CPU-RESET
BACKLIGHT-SW
BACKLIGHT-ADJ
SPI-SCL
SPI-SDA
SCL
SDA
6
5
(MEMORY)
133
104
101
110
122
59
58
TU-SCL
TU-SDA
SCL
SDA
4
3
TU3901 (TUNER UNIT)
RESET
IC3009,
Q3104
IC3006
114
112
REMOTE
120
KEY-IN1
128
LED1
Q3501, Q3502
LED DRIVE
100
FUNCTION CBA UNIT
REMOTE
SENSOR
RS4051
P-ON+5V
D4051
POWER
KEY-IN1
REMOTE
LED1
4
4
5 5
6
6
CN3101 CN4052
KEY SWITCH
FL14.10EBLS
1. System Control Block Diagram
[TYPE E]

Table of Contents

Related product manuals