EasyManua.ls Logo

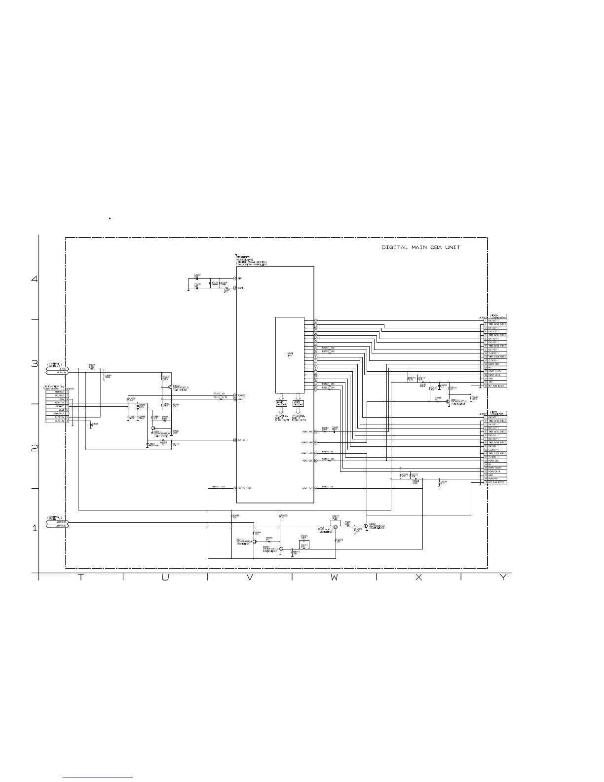
FUNAI LF320EM5F - Digital Main 4 Schematic Diagram [TYPE F]

FUNAI LF320EM5F
143 pages
Print Icon
To Next Page IconTo Next Page
To Next Page IconTo Next Page
To Previous Page IconTo Previous Page
To Previous Page IconTo Previous Page
Loading...
10-27
119HDMI-CEC
10K
R3079
108 FACTORY-SEL
UARTRXD0
2SA1576UBTLQ
Q3004
8 TMDS DATA0 SHIELD
115HDMI-ARC
2SC4081UBTLQ
Q3002
14 NU
107HDMI2-HPD
2SC4081UBTLQ
Q3003
33K
R3076
5 TMDS DATA1 SHIELD
100R3042
OPEN
R3017
10K
R3080
47K
R3019
18 HDMI+5V
UARTTXD0
0.1
C3005
9 DATA0(-)
10K
R3071
D3008
OPEN
D3006
OPEN
141HDMI1-HPD
7 DATA0(+)
12 CLOCK(-)
10K
R3073
2SC4081UBTLQ
Q3001
2SC4081UBTLQ
Q3011
1K
R3018
47K
R3275
OPEN
R3082
JK3007
1 DATA2(+)
100R3050
47K
R3278
100R3113
15 HDMI-CLOCK
6 DATA1(-)
1K
R3075
47K
R3212
16 HDMI-DATA
10 CLOCK(+)
47K
R3214
16 HDMI-DATA
330P
C3003
12 CLOCK(-)
1K
R3010
JK3003
1 DATA2(+)
17 GND
6 DATA1(-)
3 DATA2(-)
33K
R3074
14 NU
9 DATA0(-)
10 CLOCK(+)
4 DATA1(+)
7 DATA0(+)
3 DATA2(-)
5 TMDS DATA1 SHIELD
17 GND
100R3022
18 +5V
13 HDMI-CEC
13 HDMI-CEC
15 HDMI-CLOCK
19 HOT-PLUG-DETECT
19 HOT PLUG DETECT
0.1
C3023
2 TMDS DATA2 SHIELD
4 DATA1(+)
100R3023
OPEN
C3012
11 TMDS CLOCK SHIELD
OPEN
R3077
8 TMDS DATA0 SHIELD
2 TMDS DATA2 SHIELD
1K
R3078
100R3201
11 TMDS CLOCK SHIELD
100
R3081
152
151
150
149
148
147
146
145
134
135
4
3
2
1
156
155
154
153
140
139
33R3109
142HDMI-5V1
10R3104
5REMOTE
96 LED1
7LIGHT(NU)
OPEN
R3822
AL+5V
22R3103
10K
R3559
100
R3551
AL+3.3V
8P-ON+5V
120 REMOTE
CN3101
1SDA(NU)
Q3502
2SA1576UBTLQ
100
R3553
OPEN
C3559
100K
R3560
MM5Z5V6B
D3501
4.7KR3116
2SCL(NU)
6LED1
4KEY-IN1
OPEN
C3553
1
C3554
9AL+3.3V
2SC4081UBTLQ
Q3501
OPEN
R3503
OPEN
C3556
OPEN
C3555
128 KEY-IN1
3GND
OPEN
R3555
10K
R3112
OPEN
R3558
100
R3552
53
IC3101(3/5)
MSD8220LB1-S1
*1
XIN
54 XOUT
OPEN
R3158
X3101
24MHz
18P
C3169
15P
C3172
160
R3157
T
DIGITAL MAIN CBA UNIT
2
4
1
3
UVWXY
HDMI-
CONNECTOR-1
AUDIO
DECODER
(SWITCHING)
VIDEO
DECODER
(SWITCHING)
HDMI
I/F
(SWITCHING)
CONTINUE
DIGITAL 3
(SWITCHING)
(SWITCHING)
DIGITAL SIGNAL PROCESS
/MAIN MICRO CONTROLLER
HDMI-
CONNECTOR-2
(LED DRIVE)
TO FUNCTION CBA
UNIT CN4052
CONTINUE
DIGITAL 5
(LED DRIVE)
TO DIGITAL
MAIN 3
IC3101(2/5)
TO DIGITAL
MAIN 3
IC3101(2/5)
Digital Main 4 Schematic Diagram [TYPE F]
FL14.10FSCD4
The order of pins shown in this diagram is different from that of actual IC3101.
IC3101 is divided into five and shown as IC3101 (1/5) ~ IC3101 (5/5) in this Digital Main Schematic Diagram Section.
1 NOTE:

Table of Contents

Related product manuals