EasyManua.ls Logo

FUNAI LF320EM5F - Video;Audio Block Diagram (Type F)

FUNAI LF320EM5F
143 pages
Print Icon
To Next Page IconTo Next Page
To Next Page IconTo Next Page
To Previous Page IconTo Previous Page
To Previous Page IconTo Previous Page
Loading...
9-22
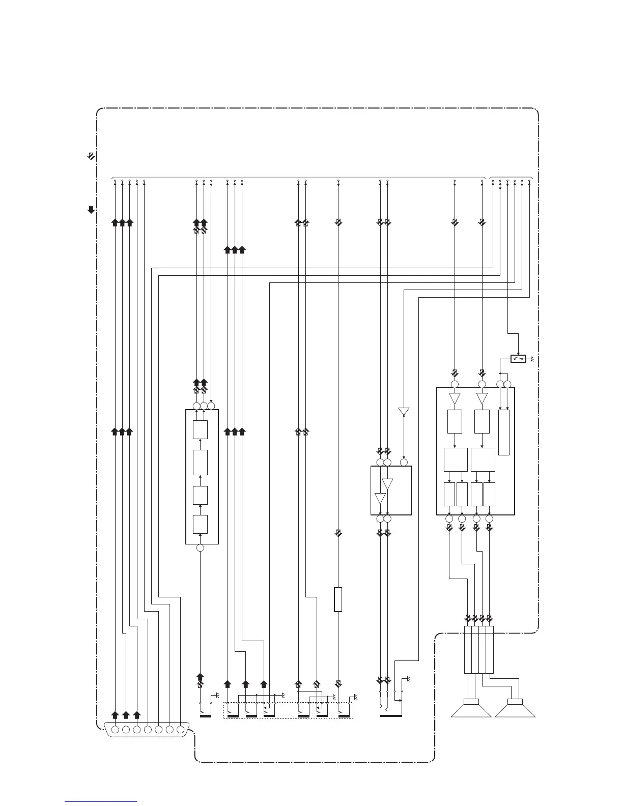
2. Video/Audio Block Diagram [TYPE F]
FL14.10DBLVA
DIGITAL MAIN CBA UNIT
IC3801 (AUDIO AMP)
Q3801
AMP-MUTE
HP-MUTE
COMP-DET
HP-DET
TO SYSTEM CONTROL
BLOCK DIAGRAM
SP3802
SPEAKER
R-CH
CN3801
SP3801
SPEAKER
L-CH
AMP(L)-OUT
AMP(R)-OUT
3SP(R)-
4SP(R)+
2SP(L)-
1SP(L)+
DIF-OUT1
DIF-OUT2
IF-AGC
TO DIGITAL
SIGNAL PROCESS
BLOCK DIAGRAM
JK3005
PC-RGB
-IN
1
2
3
13
14
15
12
VGA-R-IN
VGA-G-IN
VGA-B-IN
VGA-HSYNC
VGA-VSYNC
VGA-SCL
VGA-SDA
IC9301
23
2
24
(Si TUNER)
IF-AGC
25
VIDEO SIGNAL
AUDIO SIGNAL
1
2
3
25
23
CONTROL LOGIC
DRIVE
DRIVE
PWM
LOGIC
18
20
DRIVE
DRIVE
PWM
LOGIC
12
POWER
LIMIT
POWER
LIMIT
IF
AMP
IF
FILTER
AGC
LNA
AUDIO(L)-IN
AUDIO(R)-IN
DIGITAL
AUDIO-OUT
(COAXIAL)
Q3701
BUFFER
AUDIO(L)-IN
AUDIO(R)-IN
HP(R)
HP(L)
SPDIF
COMPONENT
-Y/VIDEO-IN
COMPONENT
-Pb-IN
COMPONENT
-Pr-IN
JK3701
COM-VIDEO-Y/VIDEO-IN
COM-VIDEO-Pr-IN
COM-VIDEO-Pb-IN
ANT-IN
JK9301
JK3703
HEADPHONE
JACK
Q3861
(HEADPHONE AMP)
IC3851
1
7
3
5
2MUTE
6dB
6dB

Table of Contents

Related product manuals