EasyManua.ls Logo

Gardner Denver EBMQLC - CAUTION (Improper equipment maintenance); HIGH TEMPERATURE OPERATION

Gardner Denver EBMQLC
76 pages
Print Icon
To Next Page IconTo Next Page
To Next Page IconTo Next Page
To Previous Page IconTo Previous Page
To Previous Page IconTo Previous Page
Loading...
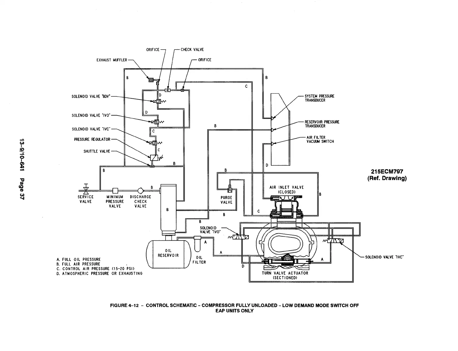
SOLENOID
SOLENOID
A. FULL OIL PRESSURE
B. FULL AIR PRESSURE
C. CONTROL AIR PRESSURE
D. ATMOSPHERIC PRESSURE
ORIFICE
CHECKVALVE
EXHAUST MUFFLER
ORIFICE
[r \ I t I
B
IL
I
(
VALVE WV”—
D
VALVE ‘IVO”
D
‘OLENO’D‘“vE‘lVC”Wrr
PRESSmE REGULATOR>
SHUTTLE VALVEy
B
h,
Sk
VALVE
c
B
B
5
PURGE
VALVE
B
L
.
c
~ ESERVOIR PRESSURE
TRMSOUCER
~ AIRFILTER
VACUM SWITCH
215 ECM797
(Ref. Drawing)
AIR INLET VALVE
(CLOSED)
PRESSURE CHEC
VALVE VALV
SOLENOID
(15-20 Psi)
OR EXHAUSTING
II
TURN VALVE ACTUATOR
(. SECTIONED)
II
VALVE “IVC”
FIGURE 4-12- CONTROL SCHEMATIC - COMPRESSOR FULLY UNLOADED - LOW DEMAND MODE SWITCH OFF
EAP UNITS ONLY

Table of Contents

Related product manuals