EasyManua.ls Logo

GARDTEC 872 - Page 27

GARDTEC 872
112 pages
Print Icon
To Next Page IconTo Next Page
To Next Page IconTo Next Page
To Previous Page IconTo Previous Page
To Previous Page IconTo Previous Page
Loading...
Page 26
D1 & D2
These terminals are digicom outputs that are fully programmable by the engineer (see
Programmable Options Description for more details). The outputs are open collector
and have a maximum current sink of 50mA*
1
*
2
. On systems only using two channels
or systems using the ProDigi or Modem D1 & D2 are free for other uses.
Note: The start polarity is of the Digicom port is programmable by the
engineer.
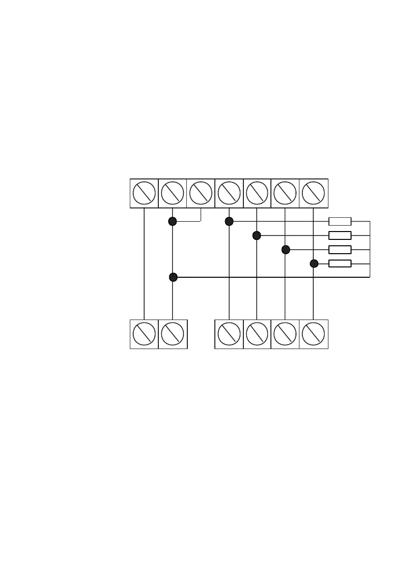
Fig. 15 Typical Digicom Wiring
Notes: D1 should be programmed for FIRE (Chan1)
D2 should be programmed for OPEN/CLOSE (Chan4)
Program Digicom Type to NORMAL
6K8 resistors provide Pull-Up for open collector outputs
When ordering STU chips Pin 4 must not be inverted as this is catered
for by the control panel.
*
1
No attempt should be made to exceed the stated current and the 1 Amp
maximum current draw from the control panel must be taken into consideration.
*
2
Some Digicoms may require a 6K8 pull-up resistor fitting between this output
and 12V
6K8
6K8
6K8
6K8
0V 12V LINE PA 12HR D1 D2
FAULT ALARM
0V 12V 2 3 1 4
CHANNELS
GardTec 872
For example
D.A.C 4 or
Red-Care
3GSTU
BLUE STU
Home STU
GardTec 872
Wiring Connections
872.qxd 05/11/2003 15:01 Page 26

Related product manuals