EasyManua.ls Logo

GE F650 - Page 278

GE F650
801 pages
Print Icon
To Next Page IconTo Next Page
To Next Page IconTo Next Page
To Previous Page IconTo Previous Page
To Previous Page IconTo Previous Page
Loading...
GEK-106310AB F650 Digital Bay Controller 5-131
5 SETTINGS 5.6 INPUTS/OUTPUTS
5
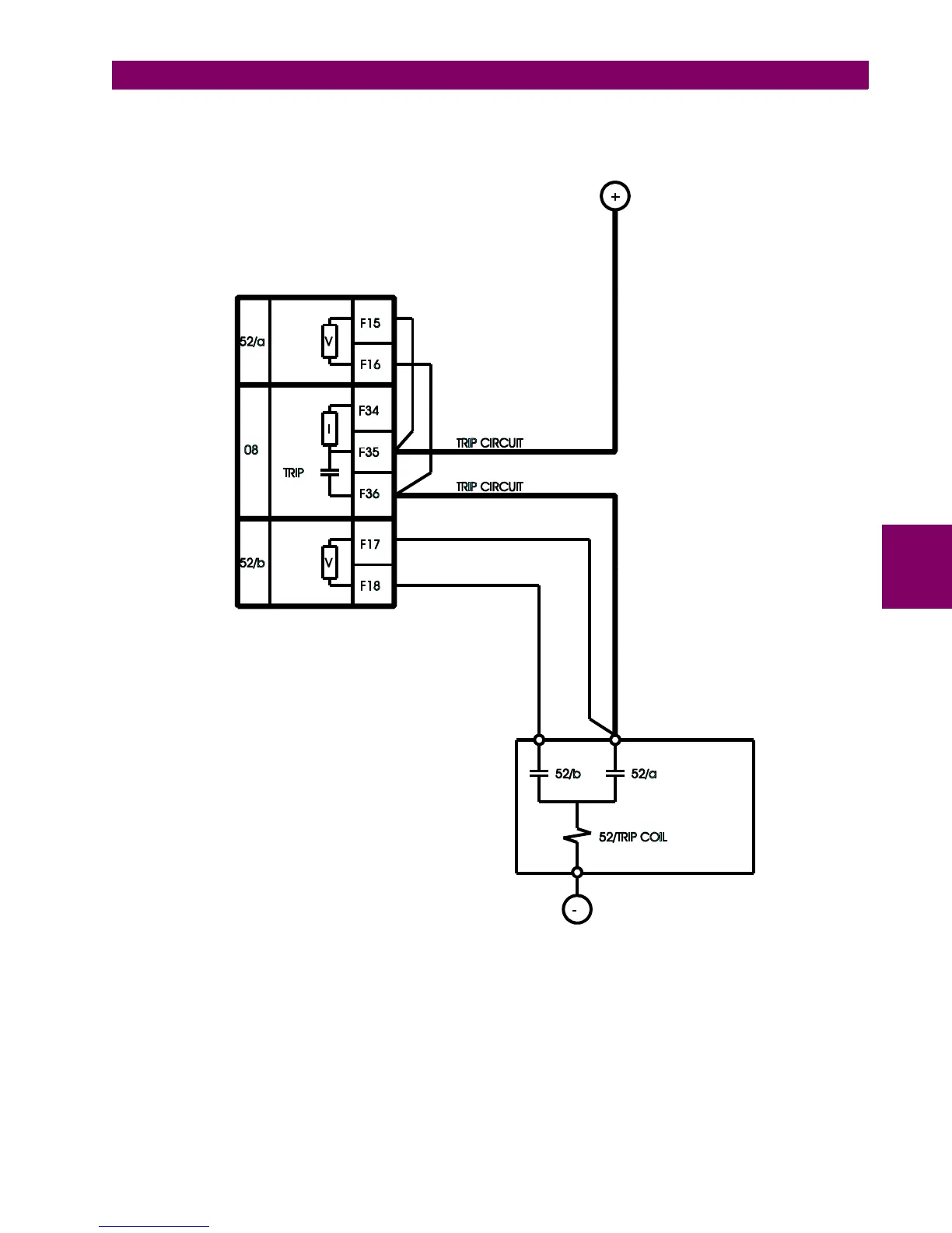
e) WITH DOUBLE VOLTAGE SUPERVISION
Figure 5–40: SUPERVISION APPLICATION WITH AUXILIARY CONTACTS 52A AND 52B (A6631F4)

Table of Contents

Other manuals for GE F650

Related product manuals