EasyManua.ls Logo

GE Multilin 750 - Page 39

GE Multilin 750
58 pages
Print Icon
To Next Page IconTo Next Page
To Next Page IconTo Next Page
To Previous Page IconTo Previous Page
To Previous Page IconTo Previous Page
Loading...
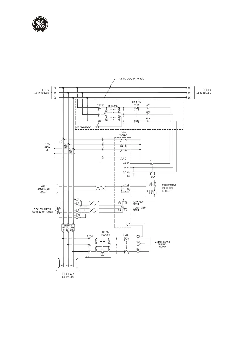
Application example
750/760 Quick Reference Guide 35
Figure 17: Typical three-line diagram

Related product manuals