EasyManua.ls Logo

GE Multilin 750 - Neutral protection settings; S2 System setpoints

GE Multilin 750
58 pages
Print Icon
To Next Page IconTo Next Page
To Next Page IconTo Next Page
To Previous Page IconTo Previous Page
To Previous Page IconTo Previous Page
Loading...
Application example
750/760 Quick Reference Guide 37
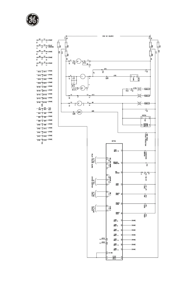
Figure 19: Typical control diagram

Related product manuals