EasyManua.ls Logo

GE Multilin 750 - S3 Logic Inputs setpoints

GE Multilin 750
58 pages
Print Icon
To Next Page IconTo Next Page
To Next Page IconTo Next Page
To Previous Page IconTo Previous Page
To Previous Page IconTo Previous Page
Loading...
Application example
38 750/760 Quick Reference Guide
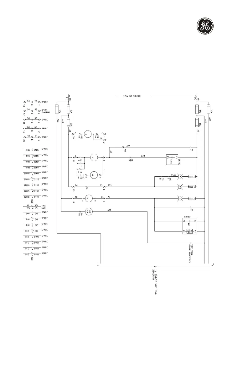
Figure 20: Typical breaker control diagram

Related product manuals